題組內容
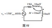
四、如圖四所示之電路,輸入電壓 vin 為弦波,求其
⑴功率因數。(7 分)
詳解 (共 1 筆)
詳解

四、如圖四所示之電路,輸入電壓 vin 為弦波,求其
