阿摩線上測驗
登入
首頁
>
鋼筋混凝土學與設計
>
102年 - 102 鐵路特種考試_高員三級_土木工程:鋼筋混凝土學與設計#33919
> 申論題
題組內容
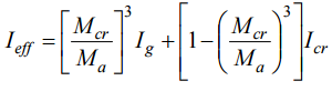
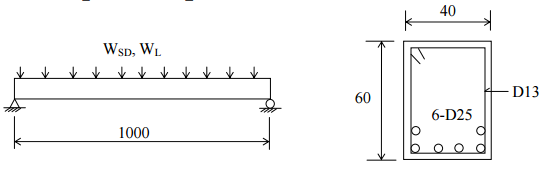
二、有一簡支梁如圖所示,除承受自重外,還承受附加靜載重 WSD=1 tf/m 與活載重 WL=2 tf/m,若本梁無支撐或聯繫於任何會因較大撓度而破壞之結構物,
鋼筋 f
y
= 4200 kgf/cm
2
, 混凝土 f '
c
= 280 kgf/cm
2
,拉力筋上、下層之淨間距為 2.5 cm。
⑴試檢核梁 深與跨徑的比例是否符合設計規範規定(5 分),
相關申論題
⑴可配置最少剪力鋼筋量之 X 值 。(13 分)
#85072
⑵在支承處之剪力鋼筋間距。(12 分) 鋼筋 fy = 4200 kgf/cm2 ,混凝土 f ' c= 245 kgf/cm2
#85073
⑵試檢核本梁之撓度是否符合規 範之規定(20 分)。
#85075
四、在設計圖示鋼筋混凝土構架一樓柱時,是否應考慮為長柱,試依現行鋼筋混凝土設 計規範列式說明判定之方法。(25 分)
#85077
四、一鋼筋混凝土單筋矩形梁斷面尺寸如圖所示,As=15.16cm2,f′C =280kgf/cm2,fy=4200kgf/cm2,試求設計彎矩強度ΦMn 。(25分)
#562156
三、圖示單筋矩形斷面梁f′C =350 kgf/cm2,fy=4200 kgf/cm2,試求平衡鋼筋量Asb並決定當As=20cm2及60cm2時,斷面之破壞模式。(25分)
#562155
(2)受拉鋼筋中標準彎鉤錨定之尺度與彎曲半徑之規定中,90°、180°彎轉後,有哪些規定?(14分)
#562154
(1)受拉鋼筋中標準彎鉤錨定之尺度與彎曲半徑之規定中,鋼筋端部設置特別之錨定機制為何?(11分)
#562153
一、試說明鋼筋與混凝土合併使用之理由有哪些?(25分)
#562152
2. 臨界斷面處鋼筋所需要承擔之最大剪力強度 ?
#562046
相關試卷
114年 - 114 地方政府公務、離島地區公務特種考試_三等_土木工程:鋼筋混凝土學與設計#134753
114年 · #134753
114年 - 114 高等考試_三級_土木工程:鋼筋混凝土學與設計#128726
114年 · #128726
113年 - 113-2 國營臺灣鐵路股份有限公司_從業人員甄試試題_第9階-技術員-土木工程:鋼筋混凝土學與設計概要#137156
113年 · #137156
113年 - 113 國營臺灣鐵路股份有限公司_從業人員甄試_第8階-助理工程師-土木工程:鋼筋混凝土學與設計#137104
113年 · #137104
113年 - 113-2 國營臺灣鐵路股份有限公司_從業人員甄試_第8階-助理工程師-土木工程:鋼筋混凝土學與設計#137090
113年 · #137090
113年 - 113-2 國營臺灣鐵路股份有限公司_從業人員甄試_第 9 階-技術員-土木工程:鋼筋混凝土學與設計概要#135450
113年 · #135450
113年 - 113 地方政府公務、離島地區公務特種考試_三等_土木工程:鋼筋混凝土學與設計#124342
113年 · #124342
113年 - 113 高等考試_三級_土木工程:鋼筋混凝土學與設計#121483
113年 · #121483
113年 - 113 國營臺灣鐵路股份有限公司_從業人員甄試_第 9 階-技術員-土木工程:鋼筋混凝土學與設計概要#119089
113年 · #119089
112年 - 112 地方政府特種考試_三等_土木工程:鋼筋混凝土學與設計#118382
112年 · #118382