阿摩線上測驗
登入
首頁
>
電力系統
>
101年 - 101年地方考三等_電力工程#31599
> 申論題
題組內容
四、
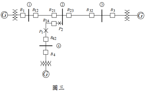
⑴試繪出圖三所示電力系統之保護區域(protective zones);(10 分)
相關申論題
⑴試求此系統之導納矩陣YBus。(10 分)
#70818
⑵試以高斯-塞達(Gauss-Seidel)法進行一次負載潮流分析之疊代。假設匯流排 ②之初始電壓為 ∠01 o 標么。(10 分)
#70819
⑴繪出此系統之正序、負序及零序阻抗網路,並標示相關元件電抗標么值。(6 分)
#70820
⑵若在匯流排③的 a 相發生直接接地之單相故障,試求在匯流排②與③間,a 相流 過的實際故障電流大小(以安培表示)。(14 分)
#70821
⑴若甲公司之負載為 350MW,不考慮向乙公司購電情形下,試求甲公司的三部 發電機組在滿足其負載下之經濟調度。請計算出各機組之發電量,邊際成本 (marginal cost)及總發電成本。(10 分)
#70822
⑵假設乙公司之發電邊際成本為 8.2 $/MWh,甲公司應向乙公司購買多少電力(MW) 才會使其總發電成本最小?此時甲公司之總發電(含購電)成本為何?(10 分)
#70823
⑵若故障點為圖三之P1時,那些斷路器(circuit breakers)必須打開?(5 分)
#70825
⑶若故障點為圖三之P2時,那些斷路器必須打開?(5 分) 註:□符號代表斷路器
#70826
⑴請說明在高壓輸電系統中,為何無效功率無法進行長距離輸送?(10 分)
#70827
⑵在電力系統中,常見的電壓控制(voltage control)方法有那些?請列舉三種。 (10 分)
#70828
相關試卷
115年 - 115 關務特種考試_三等_電機工程(選試英文):電力系統#138944
115年 · #138944
114年 - 114 地方政府公務特種考試_三等_電力工程:電力系統#134738
114年 · #134738
114年 - 114 專技高考_電機工程技師:電力系統#133708
114年 · #133708
114年 - 114 公務升官等考試_薦任_電力工程:電力系統#133165
114年 · #133165
114年 - 114 高等考試_二級_電力工程:電力系統#131586
114年 · #131586
114年 - 114 高等考試_三級_電力工程:電力系統#128774
114年 · #128774
114年 - 114 關務特種考試_三等_電機工程(選試英文):電力系統#126644
114年 · #126644
113年 - 113 臺灣菸酒股份有限公司_從業職員及從業評價職位人員甄試試題_電子電機:電力系統(含電路學)#133978
113年 · #133978
113年 - 113 地方政府公務特種考試_三等_電力工程:電力系統#124553
113年 · #124553
113年 - 113 專技高考_電機工程技師:電力系統#123952
113年 · #123952