題組內容
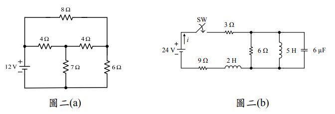
二、
⑵如圖二(b)所示之電路,將開關SW閉合後,且達穩態時,求總電流 i 為多少?(10分)
詳解 (共 1 筆)
詳解
2A