題組內容
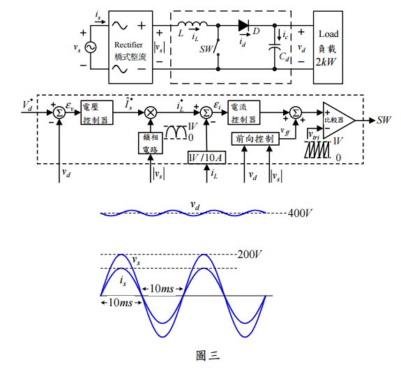
三、某電力電子電路,其控制回路,及穩態下量測波形如圖三所示。假設電 路中皆為理想元件,電感值 250μH,電容值 1000μF,鋸齒波信號v tri 週 期為20μs。電流感測器之轉換關係為 1 V/10 A。一前向信號v ff 加入控制 回路中,以提高電流控制性能。
三、某電力電子電路,其控制回路,及穩態下量測波形如圖三所示。假設電 路中皆為理想元件,電感值 250μH,電容值 1000μF,鋸齒波信號v tri 週 期為20μs。電流感測器之轉換關係為 1 V/10 A。一前向信號v ff 加入控制 回路中,以提高電流控制性能。