阿摩線上測驗
登入
首頁
>
電力系統
>
102年 - 102年高等三級暨普通考高考三級_電力工程#29368
> 申論題
題組內容
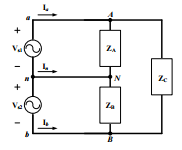
一、如下圖所示之單相、三線、60 Hz 之家用配電系統,其單相電源經由三條短路線供 應三個單相負載 Z
A
、Z
B
、Z
C
。已知電壓相量 V
s1
=V
s2
=120∠0° V,Z
A
為 10 Ω電燈 負載、Z
B
為 10 Ω電阻器串聯 15 mH 電感器、Z
C
為 30 Ω電熱器負載。試求:
⑵兩電壓源 V
s1
、V
s2
吸收或放出的實功及虛功。(8 分)
相關申論題
⑴電流相量 Iα 、Ib、In。(9 分)
#61304
⑶電路的整體功率因數。(3 分)
#61306
⑴試求每具變壓器的輸出 MVA 值,以及不使任一具變壓器過載的負載極限 MVA 值。(10 分)
#61307
⑵若設定 1 號變壓器高壓側的抽頭(tap),使其二次側具有 0.8%的電壓提升,但 2 號變壓器高壓側的抽頭則不變。在忽略變壓器發生過載的條件下,試求每具變 壓器的輸出 MVA 值。(10 分)
#61308
⑴正相序之標么電抗值及其相對的電感值。(4 分)
#61310
⑵負相序之標么電抗值及其相對的電感值。(8 分)
#61311
⑶零相序之標么電抗值及其相對的電感值。(8 分)
#61312
⑴試列出以標么為單位之搖擺方程式(swing equation)。(4 分)
#61313
⑵當發電機受到一個輕微、暫時之電氣干擾時,試列出新的標么搖擺方程式,並計 算同步功率係數(synchronizing power coefficient)之值。(8 分)
#61314
⑶若⑵中的電氣干擾在原動機動作前予以消除,試求該發電機轉子的振盪頻率及週 期。(8 分)
#61315
相關試卷
115年 - 115 關務特種考試_三等_電機工程(選試英文):電力系統#138944
115年 · #138944
114年 - 114 地方政府公務特種考試_三等_電力工程:電力系統#134738
114年 · #134738
114年 - 114 專技高考_電機工程技師:電力系統#133708
114年 · #133708
114年 - 114 公務升官等考試_薦任_電力工程:電力系統#133165
114年 · #133165
114年 - 114 高等考試_二級_電力工程:電力系統#131586
114年 · #131586
114年 - 114 高等考試_三級_電力工程:電力系統#128774
114年 · #128774
114年 - 114 關務特種考試_三等_電機工程(選試英文):電力系統#126644
114年 · #126644
113年 - 113 臺灣菸酒股份有限公司_從業職員及從業評價職位人員甄試試題_電子電機:電力系統(含電路學)#133978
113年 · #133978
113年 - 113 地方政府公務特種考試_三等_電力工程:電力系統#124553
113年 · #124553
113年 - 113 專技高考_電機工程技師:電力系統#123952
113年 · #123952