阿摩線上測驗
登入
首頁
>
基本電學(概要)
>
104年 - 104 地方政府特種考試_四等_電力工程、電子工程、電信工程:基本電學#35577
> 申論題
題組內容
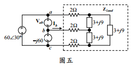
五、如圖五,三相平衡電源連接於三相負載:(每小題 5 分,共 20 分)
⑷請計算電流相量
I
b
。
相關申論題
⑶請計算最終電壓值v(∞)。
#95744
⑷請寫出電壓之時間表示式v(t > 0)。
#95745
⑴請計算電壓相量Vab 。
#95746
⑵請畫出該三相負載ZLoad 之 Y 接等效電路。
#95747
⑶請畫出該三相平衡電源之 Y 接等效電路。
#95748
⑴請畫出 a、b 兩端之諾頓(Norton Equivalent)等效電路。(10 分)
#95750
⑵將不同的負載電阻跨於 a、b 兩端,逐一量測其消耗功率,發現在某一負載電阻值, 有最大功率消耗。請計算該電阻值。(5 分)
#95751
⑴計算電流i1 (t) 之有效值。
#95733
⑵計算該電阻之消耗功率。
#95734
⑶計算電流i2 (t) 之有效值。
#95735
相關試卷
115年 - 115-1 臺北市立大安高工教師甄選試題_電子/控制科:基本電學#138451
115年 · #138451
114年 - 114 關務特種考試_四等_電機工程(選試英文):基本電學#126651
114年 · #126651
113年 - 113 關務特種考試_四等_電機工程(選試英文)、電機工程(選試日文):基本電學#119481
113年 · #119481
112年 - 112 地方政府特種考試_四等_電力工程、電子工程、電信工程:基本電學#118330
112年 · #118330
112年 - 112 普通考試_電力工程、電子工程、電信工程:基本電學#115756
112年 · #115756
112年 - 112 關務特種考試_四等_電機工程:基本電學#113949
112年 · #113949
111年 - 111 地方政府特種考試_四等_電力工程、電子工程、電信工程:基本電學#112594
111年 · #112594
111年 - 111 中華郵政股份有限公司_職階人員資產營運及工程類科甄試試題_專業職(一)/電力工程:基本電學#111525
111年 · #111525
111年 - 111 普通考試_電力工程、電子工程、電信工程:基本電學#109349
111年 · #109349
111年 - 111 關務特種考試_四等_電機工程:基本電學#107497
111年 · #107497