題組內容
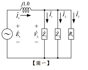
第一題: 單相供電系統的示意圖如【圖一】所示,其中負載電壓
V有效值 ,
。試求:
(一)電流
(只寫絕對值)。【10 分】
詳解 (共 2 筆)
Okashi
詳解 #3131137
I1 = 20√2∠-45°,I2 = ...
(共 56 字,隱藏中)
前往觀看
s6218603
詳解 #3130846
Is 10
I1=40/√2
I2=40
I3=20