題組內容
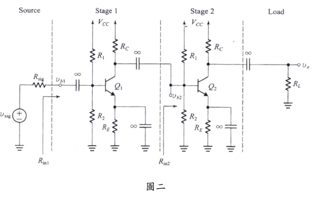
二、圖二中有兩個相同的共射極放大器串連在一起
圖二中有兩個相同的共射極放大器串連在一起。可以觀察到 可以觀察到,第二級的
輸入電阻 Rin2,構成第一級的負載電阻。VCC = 15 V、R1 = 100 kΩ、R2 = 47 kΩ、
RE = 3.9 kΩ、RC = 6.8 kΩ、R sig = 5 kΩ、RL = 2 kΩ 且 β = 100。
二、圖二中有兩個相同的共射極放大器串連在一起
圖二中有兩個相同的共射極放大器串連在一起。可以觀察到 可以觀察到,第二級的
輸入電阻 Rin2,構成第一級的負載電阻。VCC = 15 V、R1 = 100 kΩ、R2 = 47 kΩ、
RE = 3.9 kΩ、RC = 6.8 kΩ、R sig = 5 kΩ、RL = 2 kΩ 且 β = 100。