阿摩線上測驗
登入
首頁
>
教甄◆電腦科專業
>
102年 - 教育部受託102年公立高中職教甄資訊科試題#42353
> 申論題
題組內容
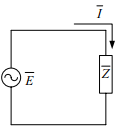
11. 如下圖所示電路,若以電感虛功率視為正,若以電容虛功率視為負,且
, 求
1(1)P.F (1 分
相關申論題
3. 台電民生用電,家用電費計算以每月用電度數分五個級距,夏月每度電費計算如下:1. 120 度以下:2.1 元 2.121~330 度:3.47 元 3. 331~500 度:4.89 元 4.501~700 度:5.67 元 5.701 度以上:6.43 元 喬巴家這一期(2 個月)用了 1200 度的電,應該要繳_______ 元電費。(5 分)
#133724
(1)求以 74AS00 推動 7400 之雜訊邊限?(2 分)
#133729
(2)求以 74ALS00 推動 7400 之扇出數?(2 分
#133730
13. 一差動放大器兩端輸入訊號分別為 V1 = 2V , V2 = −2V 時,其輸出為40V ,若輸入改為 V1 = 3V , V2 = 1V 時,其輸出 為24V ,則此差動放大器之共模增益為多少?
#133737
(1) G ( G1, E1, L1, G0, E0, L0)? = (2 分
#133739
(2) E( G 1,E1 ,L1, G0, E0, L0 )? = (2 分
#133740
(3) 1 11 0 0 0 L ( G1, E1, L1, G0, E0, L0)? = (2 分)
#133741
第四題: 學校 WEB 主機作業系統為 Windows server 2012,以 Apache、php、Mysql 套件架設 WEB 及資料庫服務。近日微軟公告 Windows Server 2012 有安全疑慮且即將停止更新。為此,請您使用自己熟悉的作業系統及套件建置新的 WEB 主機,並將學校網站搬遷至新主機,請敍述您的移機程序(含作業系統、套件、遷移詳細網站步驟,不須寫操作指令)。
#491029
(2)導師反應其使用【生生用平板】的載具進行教學時,全班同學載具(30 部)的網路速度很慢,請問您覺得可能的問題有哪些?如何做問題判定?
#491028
(1)每當電腦教室利用還原系統進行資料派送時,皆會造成全校電腦網路連線緩慢,請問可能原因為何?如何解決?
#491027
相關試卷
113年 - 113 金門縣國民小學教師聯合甄選試題:資訊科技專業科目#120867
113年 · #120867
113年 - 113 高雄市市立國民小學_教師聯合甄選:專長類-資訊試卷#120693
113年 · #120693
112年 - 112 新北市國民小學暨幼兒園教師甄選試題:資訊科#118895
112年 · #118895
112年 - 112-1 國立臺東大學附設實驗國民小學教師甄選試題:資訊專業科目#115036
112年 · #115036
112年 - 112 臺北市市立國民中學正式教師聯合甄選:資訊科技(雙語)科#114640
112年 · #114640
112年 - 112 臺北市市立國民中學正式教師聯合甄選:資訊科技科#114633
112年 · #114633
112年 - 112 高雄市市立高級中等學校聯合教師甄選試題:資料處理科#114465
112年 · #114465
112年 - 112-1 國立東華大學附設實驗國民小學教師甄選題目:資訊專業#114445
112年 · #114445
112年 - 112 臺北市市立普通型暨技術型高級中等學校正式教師聯合甄選:資料處理科#114335
112年 · #114335
112年 - 112 新北市公立高級中等學校教師聯合甄選試題:資訊科#114159
112年 · #114159