阿摩線上測驗
登入
首頁
>
教甄◆電腦科專業
> 102年 - 教育部受託102年公立高中職教甄資訊科試題#42353
102年 - 教育部受託102年公立高中職教甄資訊科試題#42353
科目:
教甄◆電腦科專業 |
年份:
102年 |
選擇題數:
20 |
申論題數:
21
試卷資訊
所屬科目:
教甄◆電腦科專業
選擇題 (20)
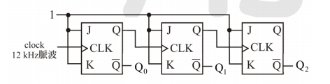
1. 三相平衡電路,電源部分為Y型,線電壓V
L
= 173.2V ,負載側為△接,阻抗為 8 + j6Ω,則此電路之總 實功率為多少? (A)24000 W (B)4400 W (C)5400 W (D)7200 W。
2. 利用敏阻器(sensistor)作溫度補償時,如下圖應放於何位置? (A)AB點位置 (B)AC點位置 (C)AD點位 置 (D)BC點位置。
3. 如下圖所示電路的計數模數(MOD)為多少? (A)12 (B)13 (C)14 (D)15。
4. 有甲、乙、丙三個系統,其效率(即輸出與輸入功率之比)分別為X,Y及0.9;若甲和丙兩系統串接, 其總輸入及總輸出分別為500瓦特及360瓦特,若乙和丙兩系統串接,其總輸入及總輸出分別為400瓦特 52瓦特。若甲和乙兩系統串接,其總輸出為200瓦特,問其總輸入約為多少? (A)250瓦特 (B)303 瓦特 (C)357瓦特 (D)412瓦特。
5. 有一電路,其上之電壓v(t),及通過之電流i(t),為時間t(秒)之函數如下:當0≤ t≤ π時,v(t)=sin(t)伏,i(t)=sin(t) 安;當π≤ t≤ 2π時,v(t)=sin(t)伏,i(t)=cos(t)安;當2π≤ t ≤ 3π時,v(t)=(t-2π)伏,i(t)=1安,試求此電路在 0≤ t ≤ 3π之時間內所消耗之電能約為多少? (A)7.5焦耳 (B)7.3焦耳 (C)5.5焦耳 (D)4.5焦耳。
6. 如下圖(a)中,電路元件甲的i-V特性曲線如下圖(b)所示,試求當R=20Ω時,電路元件甲所消耗之功率 約為多少? (A)1.02 (B)1.12 (C)1.22 (D)1.32 瓦。
7. 比熱為0.1卡/克-℃,20℃的鐵塊500公克用10Ω電熱線通以5安培電流50秒後,此時將鐵塊丟入20℃、1000 公克的水中,若是完全沒有熱損耗,則當水與鐵塊的溫度相同時,此時溫度約為多少℃? (A)18 (B)23 (C)40 (D)52 ℃。
8. 如下圖所示,每邊長
公尺之立方體,置於磁場方向向右且與ad平行、強度為0.6Weber/ 2 m 之均勻磁場 中,當沿著a–b–c–d方向繞製導線,並通以4A之電流,則bc段導線所受磁力為多少? (A)1.2
(B)
(C)0.24 (D)1.2 牛頓。
9. 下列有關振盪器的敘述何者錯誤? (A)韋恩電橋屬於低頻正弦振盪器,其兼具正回授與負回授 (B)R-C 相移振盪器屬於低頻正弦振盪器,透過三級R-C相移回授網路產生相移180 ,以達到正回授振盪的目的 (C)石英晶體振盪電路屬於高頻正弦振盪器,將考畢子電路內之電感器換成諧振時,具有電感特性的石英 晶體,稱為皮爾斯振盪電路,振盪頻率主要與晶體振盪頻率有關,與外接電路無關 (D)哈特萊振盪器屬 於高頻正弦振盪器,回授網路為L-C,為使其產生正回授以達到振盪的效果,通常會將電容一分為二,並 在中間接地。
10. 如下圖電路所示,F 的布林代數式為何? (A)ABC (B)A(B+C) (C)
(D)
。
11. 如下圖所示電路,Y 之最簡布林代數式為何? (A)
(B)
(C)
(D)
。
12. 已知一除8非同步計數器,t
ff
=40ns(t
ff
:正反器延遲時間),不計邏輯閘延遲時間,則其計時脈波之最高頻 率f
max
=? (A)3.125MH
Z
(B)6.25MH
Z
(C)8.3MH
Z
(D)12.5MH
Z
。
13. 如下圖所示電路,i 值應為多少? (A)0.5A (B)2.5A (C)5A (D)10A。
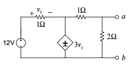
14. 如下圖所示電路,求a 、b 端開路電壓? (A) 4V (B) 6V (C)8V (D) 10V 。
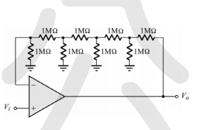
15. 如下圖所示為運算放大器的應用電路,若輸入Vi = 0.1V,則其輸出電壓VO 為多少? (A) 1.3V (B)2.1V (C)3.4V (D)5.1V。
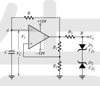
16. 如下圖所示之無穩態振盪電路,設OPA與二極體皆為理想元件,且V
Z1
=9V,V
Z2
=6V,則下列敘述何者錯 誤? (A) V
o(p-p)
值由二極體的V
Z1
與V
Z2
值來決定 (B) C之數值下降時,則輸出振盪頻率增加 (C) R
1
之 數值增加,則輸出振盪頻率下降 (D)當R
1
=10kΩ、R
2
=5kΩ時,則電容器C兩端電壓波形的VC(p-p)值約為 8V 。
17. 如下圖所示的電路,其輸出端布林式 F (A,B,C )? = (A) ∑(1, 3, 4, 6, 7) (B) ∑(0,2,5) (C) ∑(1,3,4) (D)∑ (0,2,5,6,7) 。
18. 下列何者錯誤? (A)17.F4
(16)
之15的補數為 E8.0BH (B) (19. C)
16
等於 31.6)
8
(C) (10110010)
2
- (00011011)
2
=(225)
8
(D) 十進制負數值− 37 轉換為八位元有號大小之2的補數為 2 (11011011)
19. 有關下圖所示計數電路的敘述選項,何者皆正確? (設輸出為Q
2
Q
1
Q
0
,其中Q
2
為MSB、Q
0
為LSB,且 所有正反器的J、K輸入端皆接至高電位) a.為除6電路 b.為除8電路 c.上數計數電路 d.下數計數電路 e.Q
2
波形的頻率為2kHz f.Q1波形的工作週期(duty cycle)為50% (A) a、d、e (B) b、c、f (C) a、c、e (D) b、d、f 。
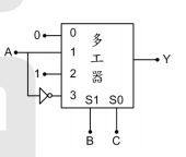
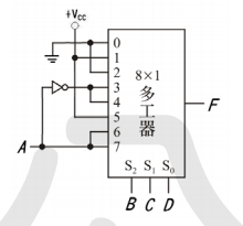
( A ) 20. 如下圖所示之多工器應用電路,可以實現下列哪一布林表示式? (A) F(A,B,C,D)=π(0,2,6,7,8,10,11,12) (B) F(A,B,C,D)=π(0,5,6,7,8,9,14,15) (C) F(A,B,C,D)=π(1,2,3,4,10,11,12,13) (D) F(A,B,C,D)=π(1,3,4,5,9,13,14,15) 。
申論題 (21)
【已刪除】1. 如下圖所示,當電流到達穩定後,則兩線圈共計儲存之能量為多少?(3 分)
【已刪除】2. 如下圖所示理想運算放大器電路,請問V
o
=?(3分)
3.
台電
民生用電,家用電費計算以每月用電度數分五個級距,夏月每度電費計算如下:1. 120 度以下:2.1 元 2.121~330 度:3.47 元 3. 331~500 度:4.89 元 4.501~700 度:5.67 元 5.701 度以上:6.43 元
喬巴
家這一期(2 個月)用了 1200 度的電,應該要繳_______ 元電費。(5 分)
【已刪除】 4. 如下圖所示電路,其中電源的頻率 f 為可變,當 f 為 60Hz 時電感抗為 36 歐姆,電容抗為 25 歐姆,請問當發生諧 振時 A、B 兩點的電壓為_____ 伏特。(3 分)
【已刪除】 5. 如下圖所示,以一瓦特計法測量平衡三相負載之功率,若瓦特表測知其值為 400W,A 指示 17.3A , V 指示 200V, 若在圖中,b 線 Q
2
處突然斷線,則瓦特表之讀數變為若干_______ 瓦。(3 分)
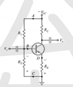
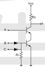
【已刪除】6. 如下圖之電路,電晶體 Q 之 α=0.98, V
BE
= 0.6 V,若 I
E
=2 mA,試求 R
1
之值約為多少?(5 分)
【已刪除】7. 如下圖所示二極體特性皆相同,當二極體電流為 1mA 時,二極體兩端電壓 V
d1
為 0.7V,若熱當量電壓 V
T
=25mV, η=1,IS =3×10
- 13
A ,試求 V
d2
=?(ln10=2.3) 。(3 分)
(1)求以 74AS00 推動 7400 之雜訊邊限?(2 分)
(2)求以 74ALS00 推動 7400 之扇出數?(2 分
【已刪除】9. 使用 3 個 JK 正反器,設計一個同步除五之計數器,若其計數之順序如下之狀態圖,試繪出其電路圖。(5 分)
【已刪除】10. 如下圖所示電路,若 V
S
=1V
rms
,求 R
L
上的功率?(3 分)
1(1)P.F (1 分
【已刪除】(2)
(以極式表示) (1 分)
【已刪除】(3)
(以極式表示) (1 分) 。(共 3 分)
【已刪除】12. 如下圖所示電路,設 FET 之 V
T
=1V , K =1mA /V
2
, C
C
= 1
μ
F, r
o
忽略不計,試求C
C
所造成之低三分貝角頻率ωL 為何?(3 分)
13. 一差動放大器兩端輸入訊號分別為 V
1
= 2V , V
2
= −2V 時,其輸出為40V ,若輸入改為 V
1
= 3V , V
2
= 1V 時,其輸出 為24V ,則此差動放大器之共模增益為多少?
【已刪除】14. 如下圖所示調諧電路,若中心頻率
f
o
= 1MHz ,頻寬 BW =10kHz ,中頻增益 A
V
= −10 ,且 FET 的 gm =5mA /V , rd =10k Ω ,則其所需的電容量應為多少nF ?(
= 0.159 )。 (3 分)
(1) G ( G
1
, E
1
, L
1
, G
0
, E
0
, L
0
)? = (2 分
(2) E( G
1
,E
1
,L
1
, G
0
, E
0
, L
0
)? = (2 分
(3) 1 11 0 0 0 L ( G
1
, E
1
, L
1
, G
0
, E
0
, L
0
)? = (2 分)
【已刪除】16. 如下表所示為一個半減器的真值表,試繪出以最少數目的 2 輸入 NOR 閘來完成該電路功能。【註:電路需標明『被 減數 X』、『減數 Y』、『借位 B』與『差 D』】。(5 分,全對才給分)
相關試卷
113年 - 113 金門縣國民小學教師聯合甄選試題:資訊科技專業科目#120867
113年 · #120867
113年 - 113 高雄市市立國民小學_教師聯合甄選:專長類-資訊試卷#120693
113年 · #120693
112年 - 112 新北市國民小學暨幼兒園教師甄選試題:資訊科#118895
112年 · #118895
112年 - 112-1 國立臺東大學附設實驗國民小學教師甄選試題:資訊專業科目#115036
112年 · #115036
112年 - 112 臺北市市立國民中學正式教師聯合甄選:資訊科技(雙語)科#114640
112年 · #114640
112年 - 112 臺北市市立國民中學正式教師聯合甄選:資訊科技科#114633
112年 · #114633
112年 - 112 高雄市市立高級中等學校聯合教師甄選試題:資料處理科#114465
112年 · #114465
112年 - 112-1 國立東華大學附設實驗國民小學教師甄選題目:資訊專業#114445
112年 · #114445
112年 - 112 臺北市市立普通型暨技術型高級中等學校正式教師聯合甄選:資料處理科#114335
112年 · #114335
112年 - 112 新北市公立高級中等學校教師聯合甄選試題:資訊科#114159
112年 · #114159