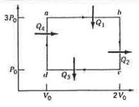
7. One mole of an ideal monatomic gas is taken around the reversible cycle as shown in the figure . Find the efficiency of the heat engine.

7. One mole of an ideal monatomic gas is taken around the reversible cycle as shown in the figure . Find the efficiency of the heat engine.
