阿摩線上測驗
登入
首頁
>
初等/五等/佐級◆基本電學大意
> 【已刪除】105年 - 初等 基本電學#52951
【已刪除】105年 - 初等 基本電學#52951
科目:
初等/五等/佐級◆基本電學大意 |
年份:
105年 |
選擇題數:
40 |
申論題數:
0
試卷資訊
所屬科目:
初等/五等/佐級◆基本電學大意
選擇題 (40)
【已刪除】1 如圖所示電路,已知 R
1
、R
2
、R
3
三個電阻的電阻值皆相同,試問電阻 R
1
所消耗的功率為電阻 R
3
消 耗功率的多少倍? (A)
(B)
(C) 2 (D) 4
【已刪除】2 如圖所示電路,C
1
= 3 法拉,C
2
= 2 法拉,已知電容器 C
3
兩端的電壓 V3為 2 伏特,試問 C
3
等於多少 法拉? (A) 5 法拉 (B) 3.75 法拉 (C) 2.5 法拉 (D) 1 法拉
【已刪除】3 若在一個很純的矽(Si)晶體中加入一種週期表中第五族的元素,則此矽晶體會呈現下列何種導電性?(A) p 型 (B) n 型 (C)不導電 (D)不影響原導電性
【已刪除】4 材質相同之兩燈泡,A 燈泡為 110 V、50 W,B 燈泡為 220 V、50 W,若兩燈泡串聯後接 110 V 電源 使用,則下列敘述何者正確? (A) B 燈泡較 A 燈泡亮 (B) B 燈泡電阻較 A 燈泡電阻小 (C) A 燈泡功率較 B 燈泡功率大 (D)兩者亮度相同
【已刪除】5 某兩金屬導線 A 及 B 在某一溫度之電阻溫度係數分別為 a
1
及 a
2
,此時 A 導線電阻為 B 導線電阻之 2 倍,當溫度上升到某一溫度時,A 導線電阻變為 B 導線電阻之 1.8 倍,下列何者正確?(A) a
1
< a
2
(B) a
1
> a
2
(C) a
1
= a
2
(D)無法判斷
【已刪除】6 某一導線在 0℃時之電阻溫度係數為 0.0045℃
-1
,則在 111℃時之電阻溫度係數約為何? (A) 0.0040℃
-1
(B) 0.0035℃
-1
(C) 0.0030℃
-1
(D) 0.0020℃
-1
【已刪除】7 一電池,設 a 表正極端,b 表負極端,則電池內部電流方向應為下列何者? (A) a 到 b (B) b 到 a (C)不一定 (D)不流動
【已刪除】8 如圖所示,設 V
X
= 3 V,I
X
= -2 A,試問這個電路元件會獲得能量或是消耗能量?
(A)獲得能量 (B)消耗能量 (C)既不獲得也不消耗能量 (D)會自我產生能量
【已刪除】9 設真空之比例常數 k 為 9 × 10
9
N-m
2
/coul
2
,若有 1 × 10
-3
coul 之正電荷與 5 × 10
-5
coul 之負電荷,相距5 m,試求其間之靜電力? (A)9 N,斥力 (B)9 N,吸力 (C) 18 N,斥力 (D)18 N,吸力
【已刪除】10 某駕駛於關閉汽車引擎時忘了同時關掉車上一盞 40 W 的大燈,設此汽車之電池為 12 V,額定為 50 安培-小時,且引擎關閉時為飽滿狀態,但當電池容量低於原來的 20%時,汽車引擎即無法啟動,此 駕駛最遲應於多少時間內趕回來,免得大燈因耗電過多導致汽車引擎無法啟動? (A) 6 小時 (B) 12 小時 (C) 18 小時 (D) 24 小時
【已刪除】11 如圖所示電路,求電壓 ν 之值約為何?
(A) 3.6 V(B) 3.9 V(C) 4.0 V(D) 4.2 V
【已刪除】12 如圖所示電路,求電壓 v 之值為何? (A) 3 V(B) 2.5 V(C) 2 V(D) 1.5 V
【已刪除】13 如圖所示電路,求電阻 R 之最大功率值約為何? (A) 44.44 W(B) 33.33 W(C) 30 W(D) 22.22 W
【已刪除】14 如圖所示,求取 a-b 端之戴維寧電壓為何? (A)(1/2)IR(B) IR(C)(2/5)IR(D)(1/3)IR
【已刪除】15 如圖所示,R
L
為何值可獲取最大功率? (A) 1 Ω(B) 2 Ω(C) 3 Ω(D) 4 Ω
【已刪除】16 某電流源在斷路時可量得電壓為 5 V,短路時可量得電流為 1 A。若接上 10 Ω 的負載,試問流過負 載的電流為多少?(A) 1/3 A (B) 1/2 A (C) 1 A (D) 3/2 A
【已刪除】17 如圖所示電路,若電流 V
ab
= 0,求交流阻抗 Z 為多少 Ω? (A) 3(B) j3(C)-j3(D) 5
【已刪除】18 圖二為圖一所示電路之等效 T 型電路,則圖二中之三個等效電阻 R
1
、R
2
及 R
3
各為多少 Ω?
(A) R
1
= 0.3 Ω,R
2
= 0.6 Ω,R
3
= 1.8 Ω (B) R
1
= 0.6 Ω,R
2
= 0.3 Ω,R
3
= 1.8 Ω(C) R
1
= 2 Ω,R
2
= 10 Ω,R
3
= 8 Ω (D) R
1
= 3 Ω,R
2
= 18 Ω,R
3
= 6 Ω
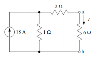
【已刪除】19 試求圖中 6 Ω 電阻兩端 a-b 點間之戴維寧等效電壓為何? (A) 12 伏特(B) 18 伏特(C) 24 伏特(D) 36 伏特
【已刪除】20 如圖所示電路,試求流過電壓源之電流 I
2
為何? (A) 0.1 A(B)-0.3 A(C)-0.4 A(D) 0.45 A
【已刪除】21 2 H 電感器通以週期性電流 i(t),如圖所示為 i(t)的一個週期且其單位為安培,該電感器之自感應電壓 為 v(t),則 v(t)的平均值為多少伏特?(A) 0(B) 3(C) 6(D) 12
【已刪除】22 如圖所示,螺線管線圈中已知磁阻為 5 × 10
6
安培/韋伯、匝數為 500 匝,則該線圈之電感量為多少亨利? (A) 0.001 亨利(B) 0.01 亨利(C) 0.025 亨利(D) 0.05 亨利
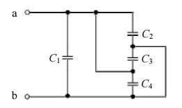
【已刪除】23 如圖所示電路,四個電容器的電容量皆為 2 法拉,試問電路 a-b 間的總電容量為多少法拉? (A) 4 法拉(B) 6 法拉(C) 8 法拉(D) 12 法拉
【已刪除】24 如圖所示,在 x = d 及 x = -d 處分別放置+Q 及-Q 之電荷,A、B 兩點位於 y 軸,其座標分別為 y = d 及 y = 2d。若 A 點的電場強度為 E,則 B 點電場強度為何? (A)
(B)
(C)
(D) 0
【已刪除】25 將三個相同電量的正電荷分別放在邊長為 2 公分的正三角形頂點,此時在三角形中心點的電位設為 V1;而將四個與前述相同電量的正電荷分別放在邊長為 4 公分的正四邊形頂點,在四邊形中心點的 電位設為 V
2
。試問
為何? (A)
(B)
(C)
(D)
【已刪除】26 如圖所示 RL 並聯電路,在時間 t = 0 時,開關 SW 閉合,若外加直流電流源 I = 2 安培,當 t = 4 毫秒時,試求跨於電感上之電壓約為多少伏特?(A) 7.38 伏特(B) 13.5 伏特(C) 0.10 伏特(D) 0.04 伏特
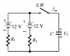
【已刪除】27 如圖所示電路,求開關 S 閉合後,到達穩態時之 I
L
及 V
C
值各為何? (A) I
L
= 0 A,V
C
= 0 V(B) I
L
= 0 A,V
C
= 10 V(C) I
L
= 1 A,V
C
= 10 V(D) I
L
= 1 A,V
C
= 100 V
【已刪除】28 如圖所示,R
1
= 6 Ω,R
2
= 3 Ω,C = 2 F,開關閉合前,電容器電壓為 6 V,則開關閉合瞬間電流 i 為 多少?(A) 1 A(B) 3 A(C) 6 A(D) 12 A
【已刪除】29 以 iS = 800sin(10
4
t+30°) mA 驅動的 RLC 並聯諧振電路中,L = 1 mH、C = 0.01 mF,已知其品質因數 Q
0
= 20,則該電路之 3 分貝頻寬(BW)應為多少 rad/s? (A) 500 rad/s (B) 800 rad/s (C) 1600 rad/s (D) 2000 rad/s
【已刪除】30 如圖所示,V = 30 伏特,R
1
= 10 Ω,R
2
= 5 Ω,R
3
= 10 Ω,C = 20 mF,電容器初始電壓為 5 V,當開 關 S 閉合後 0.4 秒時,電容器上之電壓為何? (A) 11.32 V (B) 12.97 V (C) 13.65 V (D) 15 V
【已刪除】31 如圖所示,週期性電壓波形之波形因數為何? (A) 2 /
(B)1/
(C)
(D)
/ 2
【已刪除】32 以圖一電壓源 v
1
及 v
2
供給至圖二電路,若其負載之功率相同時,則電壓源 v
2
之 A 值約為何? (A) 147 伏特(B) 132 伏特(C) 120 伏特(D) 98 伏特
【已刪除】33 一具馬達在 120 V/60 Hz 之下,輸入的電流為 80 A,而輸出為 10 馬力(1 馬力 = 746 W)。若馬達 的機械功率轉換效率為 90%,試求其虛功率(reactive power)?(A) 1.32 kvar (B) 4.85 kvar (C) 7.46 kvar (D) 9.6 kvar
【已刪除】34 一個 10 kW 的負載在 120 V/60 Hz 之下測得的電流為 100 A。試問虛功率(reactive power)為多少? (A) 2 kvar (B) 6.63 kvar (C) 8.33 kvar (D) 12 kvar
【已刪除】35 有一負載為 6 Ω 電阻與 38 mH 電感並聯,試問在 120 V/60 Hz 之下的功率因數為多少? (A) 0.419 (B) 0.633 (C) 0.804 (D) 0.922
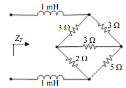
【已刪除】36 如圖所示電路,其等效交流阻抗 Z
T
若以相量表示,則其相位角之數值為: (A) tan
-1
2(B) tan
-1
1(C) tan
-1
0.5(D) tan
-1
1.5
【已刪除】37 如圖所示電路,若交流電源為 10sin1000t 伏特,試求交流阻抗 Z
T
為多少 Ω? (A) 2 + j2(B) 3 + j2(C) 2 + j3(D) 3 + j3
【已刪除】38 圖一為 RC 並聯電路,圖二為同電路再並聯一電阻 R
2
之 RC 並聯電路。令交流導納各為 Y
1
= 1/ZT
1
= |Y
1
|∠θ
1
與 Y
2
= 1/ZT
2
= |Y
2
|∠θ
2
,且電流各為 I
1
= |I
1
|∠θI
1
與 I
2
= |I
2
|∠θI
2
,則下列何者正確? (A)|I
1
| < |I
2
| (B)|Y
1
| > |Y
2
| (C) θ
1
< θ
2
(D) θI
1
< θI
2
【已刪除】39 如圖所示,電路之 v
S
= 0.4sin(ωt) V 及品質因數 Q = 10,則當頻率 ω = 52.5 krad/s 時,電流 i 之振幅約 為多少 mA?(A) 4(B) 14.1(C) 28.3 (D) 40
【已刪除】40 弦波電壓源 v
S
= 5sin(4×3.14×10
3
t+30°) V 驅動之 RLC 串聯電路,電感器 L 與電容器 C 的電抗比值大小為 100,該電路之諧振頻率應為多少 Hz?(A) 20 Hz (B) 25 Hz (C) 100 Hz (D) 200 Hz
申論題 (0)
相關試卷
115年 - 115 初等考試_電子工程:基本電學大意#136711
115年 · #136711
114年 - 114 初等考試_電子工程:基本電學大意#124884
114年 · #124884
113年 - 113-2 國營臺灣鐵路股份有限公司_從業人員甄試_第 11 階-服務員-電機:基本電學大意#137070
113年 · #137070
113年 - 113 國營臺灣鐵路股份有限公司_從業人員甄試_第 11 階-服務員-電機:基本電學大意#118978
113年 · #118978
113年 - 113 初等考試_電子工程:基本電學大意#118528
113年 · #118528
112年 - 112 地方政府特種考試_五等_電子工程:基本電學大意#118365
112年 · #118365
112年 - 112 鐵路、國家安全情報特種考試_佐級、五等_電力工程、電子工程、電子組:基本電學大意#114946
112年 · #114946
112年 - 112 身心障礙特種考試_五等_電子工程:基本電學大意#113918
112年 · #113918
112年 - 112 初等考試_電子工程:基本電學大意#112884
112年 · #112884
111年 - 111 地方政府特種考試_五等_電子工程:基本電學大意#112591
111年 · #112591