所屬科目:初等/五等/佐級◆基本電學大意
1 求 A、B 端的等效電阻 RT 為何?(A) 10 Ω (B) 20 Ω (C) 30 Ω (D) 40 Ω
6 如圖所示,電流源兩端的電壓 V 為多少伏特?(A) 0.03 伏特 (B) 0.3 伏特 (C) 0.06 伏特 (D) 0.6 伏特
7 如圖所示之電路,已知可變電阻 RL = 2Ω 時,電流源輸出功率為 30 瓦特。當可變電阻調為 1Ω 時,電流源的輸出功率為多少瓦特?(A) 60 (B) 30 (C) 25 (D) 15
11 如圖所示之電路,以迴路分析法依 I1、I2、I3 所屬的網目次序,列出方程式如下:a11I1+ a12I2+ a13I3=15a21I1+ a22I2+ a23I3=10a31I1+ a32I2+ a33I3=-10試求之值為下列何者? (A) 42 (B) 52 (C) 61 (D) 62
12 如圖所示之電路,試求當 a、b 兩端連接負載時,則負載可獲得之最大功率為何?(A) 48 W (B) 36 W (C) 24 W (D) 12 W
13 如圖所示的電路,流過電阻 R5 的電流為何?(A) 0 安培 (B) 0.5 安培 (C) 1 安培 (D) 1.5 安培
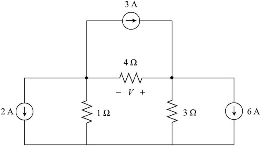
14 如圖所示之電路,依重疊定理,若電路中僅考慮 3A 電流源時,則 4 Ω 電阻上產生之電壓 V 為多少伏特?(A)-12 (B)-6 (C)6 (D) 12
15 依諾頓定理計算如圖所示之諾頓等效電流 IN 為何?(A) 1 mA (B) 2 mA (C) 3 mA (D) 4 mA
16 如圖所示之電阻電路,流經 16Ω 的電流 I 值為何?(A) 1.25A (B) 1.5A (C) 2.5A (D) 2.75A
17 如圖所示之電路,若每個電阻值都是 3kΩ,端點 a 與端點 b 之間測得的總電阻 Rab 約為何?(A) 1.1 kΩ (B) 3.3 kΩ (C) 6.6 kΩ (D) 9 kΩ
18 如圖所示之電路,求 6 歐姆(Ω)電阻上的跨壓約為多少伏特(V)?(A) 2.6 (B) 5.3 (C) 7.8 (D) 10.4
19 如圖所示,右圖為左圖的戴維寧等效電路,則電阻 Rth 的值為何?(A)2Ω (B)3Ω (C)4Ω (D)6Ω
20 如圖所示之電路,當電阻 RL 等於下列何者時,消耗功率最多?(A)2Ω (B)4Ω (C)8Ω (D) 11Ω
21 如圖示之電路,開關於 t = 0 時閉合,求 i(∞)為何?(A) 12/7 A (B) 1.0 A (C) 6/7 A (D) 8/7 A
25 如圖所示的電容電路,C1 耐壓 100 V,電容量 20 µF;C2 耐壓 40 V,電容 量 20 µF;C3 耐壓 40 V,電容量 10 µF;在所有電容器都不損壞的前提下, 計算 ab 兩端最大的電壓值為何?(A) 75 伏特(V) (B) 100 伏特(V) (C) 125 伏特(V) (D) 140 伏特(V)
26 如圖所示電路,開關閉合後經過一段很長的時間,電路充電已達穩定狀態,在時間 t=0 時將開關打開,計算在開關完成開啟後的瞬間由電容器流出的電流值為何?(A) 0.1 安培 (B) 0.5 安培 (C) 1.0 安培 (D) 2.5 安培
30 如圖所示之電路,其中 C2 為可變電容。下列敘述何者錯誤?
(A) C2 愈大,則 C3 儲存電能愈多(B) C2 愈大,則 C1 的電荷愈少(C)不管 C2 為何值,總電容量一定小於 C3 (D) C2 愈小,則 C2 兩端的電壓愈小
32 有一交流電源,其輸出弦波電壓之峰值為,頻率為 50 kHz,將此電壓加在功率電阻上,若最大瞬時功率為 1000 W,則該功率電阻的電阻值為何? (A) 40 Ω (B) 80 Ω (C) 120 Ω (D) 160 Ω
33 以振幅及餘弦(cosine)為基準的相量(phasor)式表示電流i(t)=6 cos(50t-40°) A,下列何者正確? (A) 6∠-40° A (B) 6∠40° A (C)-6∠-40° A (D)-6∠40° A
34 如圖所示之 RC 低通濾波器,已知-3dB 截止頻率為 fc=3 kHz;若 C = 1μF,求 R 約為多少歐姆?(A) 333 (B) 53 (C) 40 (D)3
37 如圖所示,求電壓 V0 為何?(A) 18.42∠60°V (B) 21.46∠-153.4°V (C) 25.31∠-90°V (D) 32.31∠-143.4°V
38 如圖所示,交流電路安培,安培,則交流電表 A 之讀值為何?(A) 10 安培 (B) 安培 (C) 14 安培 (D) 安培
39 圖示週期性電壓波形之有效值約為何?(A) 25 伏特 (B) 40.82 伏特 (C) 50 伏特 (D) 57.74 伏特