所屬科目:初等/五等/佐級◆基本電學大意
4 如圖所示,求電流 I 為何? (A) 3 安培 (B)-3 安培 (C) 6 安培 (D)-6 安培
5 如圖所示電路,則單一個 18 歐姆(Ω)電阻之消耗功率為多少瓦特? (A) 18 (B) 21 (C) 24 (D) 28
7 如圖所示,直流網路為電壓源,開關(S)打開時, = 24 V ;開關閉合時,電流 I 為 4 安培(A)。 若將 a、c 短路,則電流 I 變為多少安培? (A)3 (B)6 (C)8 (D) 12
8 如圖所示之無源 RL 電路,若 L = 2 mH , R = 10 Ω 及 i (0) = = 5 A ,求電流 i(t ) 之方程式? (A) (B) (C) (D)
9 如圖所示,在空氣中,ABCD 四點形成一個邊長 5 公尺的正方形,A、B 兩點分別放置 200 微庫倫 (μC)及 -200 微庫倫(μC)的電荷,將一個 5 微庫倫(μC)的電荷由 C 點移到 D 點需做功多少焦耳?(其中, 1 / (4πε0 ) = 9×109 m/F ) (A) 0.05 (B) 0.65 (C) 1.05 (D)4
10 假設某一材質的電阻與溫度呈線性關係,在 20℃時電阻為 0.3 歐姆,在 100℃時為 0.288 歐姆,則該材質在 20℃時之電阻溫度係數為何? (A) (B) (C) (D)
11 如圖所示之電路,已知電流 I 為 5 安培(A),試求電壓源 為多少伏特(V)? (A) 25 (B) 50 (C) 75 (D) 100
12 如圖所示的電路, 消耗的最大功率為何? (A) 0.6 W (B) 0.9 W (C) 1.2 W (D) 1.5 W
13 如圖所示,求迴路電流 i1 為多少安培(A)? (A) -2 (B) -1 (C)1 (D)2
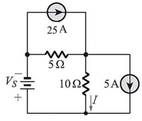
14 如圖所示,依克希荷夫電流定律,求 I 為多少安培(A)? (A) -1 (B)0 (C)1 (D)2
15 圖 B 所示為圖 A 移除 之後、自 a-b 端點處所視之戴維寧等效電路,求戴維寧等效電壓 為多少 伏特(V)? (A)0 (B)2 (C)4 (D)6
16 如圖所示之電路,依諾頓定理計算自端點 a-b 所視之諾頓等效電阻 為多少歐姆(Ω)? (A)2 (B)3 (C)4 (D)5
17 如圖所示之電路,求自端點 a-b 所視之諾頓等效電流為多少安培? (A)2 (B)4 (C)6 (D)9
18 如圖所示之網路,求從 a, c 兩端看進去之等效電阻為何?
(A)1Ω (B)2Ω (C)3Ω (D)4Ω
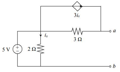
19 如圖所示之電路,求 6 Ω 電阻所消耗的功率為何? (A) 1/3 W (B) 2/3 W (C)1W (D)2W
20 如圖所示之電路, R1 = 2 Ω , R2 = 3 Ω , R3 = 4 Ω ,求 a-b 兩端點的電壓差 為何? (A) 15 V (B) 17 V (C) 37 V (D)0V
21 如圖示之電路,開關於 t = 0 時閉合,求 i (∞ ) 及時間常數 τ 各為何? (A) 6.55 A,0.4 s (B) 6 A,0.4 s (C) 6.55 A,0.2 s (D) 6 A,0.2 s
22 如圖所示,A 點電壓為 、B 點電壓為 ,若直流電壓 E 突然減少但仍為正值,在此瞬間 與 的關係為何? (A) (B) (C) (D)
24 如圖所示之電路,求 之穩態電壓為何? (A)6V (B)2V (C)3V (D)5V
25 如圖所示的電路,圖中開關 S 原本是開路很長一段時間,電容器已充電達到穩定狀態。在時間 t = 0 時開關 S 閉合,計算開關 S 閉合後的瞬間流過 40 Ω 電阻的電流值為何? (A) 0.2 A (B) 0.3 A (C) 0.4 A (D) 0.5 A
26 使用六片金屬電極板所構成的多層式平行板結構,側面圖如圖所示,假設各極板重疊的面積均為 10 cm2,以空氣為介電質,各極板間距離為 5 mm,計算其等效電容值為 8.85 pF。如果將金屬電極板由六片增加為八片,其他結構與參數均不變,計算其等效電容值為何? (A) 6.64 pF (B) 11.8 pF (C) 12.39 pF (D) 14.16 pF
29 如圖所示之電感電路,求其等效電感值約為何? (A) 1.17 mH (B) 1.62 mH (C) 3.57 mH (D) 6.51 mH
30 有一平行板電容器的極板面積為 10 mm2,板距為 2 μm,中間介質層的介電係數 ε 為 2 × (F/m) 。 若此介質層能承受的最大電場為 2×107 (V/m) ,則此電容器能儲存的最大電能為多少微焦耳( μ J )? (A)1 (B)4 (C)8 (D) 20
32 如圖所示電壓波形之有效值約為何? (A) 1.155 V (B) 0.816 V (C) 0.707 V (D) 0.577 V
33 以極座標(Polar form)表示,求 為何? (A) 0.565∠ - 84.81° (B) 0.565∠ - 33.26° (C) 0.565∠ - 42.06° (D) 0.565∠ - 160.13°
37 如圖所示之 RLC 串聯電路中,電阻器流過的電流具有最大振幅,則電感器 L 之值應等於多少 mH? (A)1 (B) 1.4 (C) 2.5 (D)4
38 如圖所示之電路,若交流電源頻率為 300 Hz,且各電感之電壓為 ,則為 多少? (A) 5:10:3.3 (B) 10:5:3.3 (C) 1:1:1 (D) 2:1:3
40 若將圖(a)之串聯電路轉成等效之並聯電路圖(b),則 G 與 B 分別為多少姆歐? (A) G = 0.16 , B = 0.12 (B) G = 1.6 , B = 1.2 (C) G = 0.16 , B = -0.12 (D) G = 1.6 , B = -1.2