所屬科目:初等/五等/佐級◆基本電學大意
4 某材料在 30℃時的電阻為 50 歐姆(Ω),在 80℃時的電阻為 60 歐姆(Ω),則該材料在 30℃時的電阻溫度係數為多少? (A) 0.001 (B) 0.002 (C) 0.004 (D) 0.006
6 如圖所示的電路,Vab 與 Vcd 的電壓分別為多少伏特(V)?(A)=40 V, =20 V (B)=60 V, =30 V (C)=80 V,=40 V (D)=100 V,=40 V
7 如圖所示,則 a、b 二點間之電位差為何?(A) 20 V (B) 27 V (C) 30 V (D) 36 V
8 有一銅線截面積為 0.2 平方公分,5 秒鐘有 個電子通過,則平均電流是多少安培?(A) 0.8 安培 (B) 2 安培 (C) 4 安培 (D) 20 安培
9 如圖所示之對稱型電路,此時流經任一個 15 歐姆(Ω)電阻的電流為何?(A) 1/3 安培 (B) 2/3 安培 (C) 1 安培 (D) 1.5 安培
10 如圖所示電路,下列那一種情況二燈泡相加之總消耗功率為最大? (A) S1“ON”;S2“OFF” (B) S1“OFF”;S2“ON” (C) S1“OFF”;S2“OFF” (D) S1“ON”;S2“ON”
11 如圖所示之電路,若電壓 E 為 60 伏特(V),當開關(S)閉合時,求電流 I 之值為多少安培?(A)5 (B) 10 (C) 15 (D) 20
12 如圖所示之電路,求由 a、b 兩端往左看入之諾頓(Norton)等效電流為何?(A)2A (B) 2.5 A (C)3A (D) 3.5 A
13 圖 B 所示為圖 A 移去 10 Ω 後、自端點 a-b 所視之戴維寧等效電路,求戴維寧等效電壓為多少伏特(V)?(A) 40(B) 48 (C) 60 (D) 80
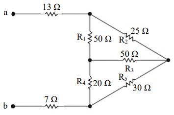
14 如圖所示的電路,等效電阻大小為何?(A) 45 Ω(B) 50 Ω(C) 55 Ω(D) 60 Ω
15 如圖所示電路,請依最大功率轉移定理分析,若負載獲致之最大功率為 30 mW,R 為多少歐姆(Ω)?(A) 50 (B) 100 (C) 150 (D) 200
16 如圖所示之電路,設 R1 =8 kΩ,R2 =2 kΩ,且電流源可供應 10 mA 之電流,求 I1 為何?(A) 1 mA (B) 2 mA (C) 8 mA (D) 10 mA
20 如圖所示,計算電路中之 i1 值為何?(A)1A (B)2A (C)3A(D)4A
21 如圖示之電路,開關於 t=0 時閉合,求 i(∞)及時間常數 τ 各約為何?(A) 4.57 mA,14.3 μs (B) 3.15 mA,14.3 μs (C) 4.57 mA,10.8 μs (D) 3.15 mA,10.8 μs
24 如圖所示,一長度為 10 公分之導線,在磁通密度為 0.5 韋伯/公尺的均勻磁場中,兩端的感應電動勢為 2 伏特,則在上下垂直磁場方向的導體移動速度大小為何? (A) 10 公尺/秒 (B) 20 公尺/秒 (C) 40 公尺/秒 (D) 80 公尺/秒
25 如圖所示之電路,其輸入端之等效電感值為何?(A)3H(B)5H(C)7H(D)9H
26 如圖所示之電路,在穩態狀態下經過之電流 I 等於多少安培(A)?(A)0A (B)1A (C) 10 A (D) 100 A
28 如圖所示電路中,10 μF 電容和 20 μF 電容串聯連接到一個 9 伏特(V)直流電壓源,關於此電路的敘述,下列何者正確? (A) 10 μF 的電容器與 20 μF 電容器串聯後的等效電容量為 30 μF (B) 20 μF 的電容器所儲存的電荷量為 10 μF 電容器所儲存電荷量的 2 倍 (C) 10 μF 的電容器儲存的電荷量為 60 微庫倫(μC) (D) 20 μF 的電容器所儲存的電位能為 10 μF 電容器所儲存電位能的 2 倍
30 如圖所示之 RL 電路,在時間 t=0 時 SW 閉合,當 t=0.2 秒時,求跨於電阻兩端之電壓約為多少伏特 (V)?(常用近似值:)(A) 98 (B) 86.5 (C) 75 (D) 52.5
31 有一交流電壓、電流分別是 ,若比較兩者之相位,下列何者正確? (A) v(t)落後 i(t)為 180° (B) v(t)領先 i(t)為 90° (C) v(t)領先 i(t)為 30° (D) v(t)落後 i(t)為 90°
32 有一電感器之電感值為 10 mH,若其端電壓 ,則此電感器的導納為下 列何者? (A) 0.1∠90°歐姆 (B) 0.01∠90°歐姆 (C) 0.1∠-90°姆歐 (D) 0.01∠-90°姆歐
33 設伏特,其有效值約為何? (A) 200 伏特 (B) 173.2 伏特 (C) 141.4 伏特 (D) 110 伏特
35 如圖所示之 RC 低通濾波器,若 C=10 μF,R=5 kΩ;求-3 dB 截止頻率約為何?(A) 3.18 Hz (B) 4.47 Hz (C) 20 Hz (D) 31.8 Hz
36 設一由 500 Ω 電阻器與 2 H 電感器串聯組成之電路負載,連接至 110 /60 Hz 之交流電源,則此負 載之功率因數為何? (A) 0.5527 超前 (B) 0.5527 滯後 (C) 0.9724 超前 (D) 0.9724 滯後
39 如圖所示之 RL 串聯電路,若交流電源之頻率為 1 kHz,R=3 Ω,L=2 mH,求交流阻抗之大小 約為多少 Ω?(A) 15.6 (B) 12.9 (C) 9.3 (D) 6.0
40 有一交流電路之電壓、電流,則其瞬時功率最大值與視在功率的比值約為何? (A)1 (B) 1.414 (C) 1.866 (D)2