所屬科目:初等/五等/佐級◆基本電學大意
1 電阻值為 3.6 MΩ±5%的電阻器,其四環色碼如何表示?(A)紅紫綠金(B)橙藍綠金(C)紅藍綠金(D)橙紫綠銀
3 如圖所示,將一個 5 歐姆(Ω)電阻與兩個並聯之 18 歐姆電阻相串聯,則流經 5 歐姆電阻之電流為多少安培?(A) 2/3 (B) 6/5 (C) 3/2 (D)2
6 如圖所示之電路,若 3 歐姆(Ω)電阻流過的電流為 1 安培,則 6 歐姆電阻的消耗功率為何?(A) 12 瓦特 (B) 24 瓦特 (C) 36 瓦特 (D) 48 瓦特
11 如圖所示之電路,若 vs1 = 50 V , vs2 = 14 V ,則流經 8 Ω 電阻之電流 I 為何?(A)2A (B) 1.5 A (C)1A (D) 0.5 A
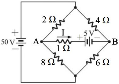
12 如圖所示之電路,求電路中 I 之值為何?(A)2A (B) 1.5 A (C)1A (D) 0.5 A
13 如圖所示之電路,求當 a 點與 c 點短路時之電流 I 為何?(A)5A (B) 10 A (C) 15 A (D) 18 A
18 如圖所示之電路,求外接於 a、b 兩端之負載電阻應為多少歐姆才能產生最大功率?(A)無窮大 (B) 100 歐姆 (C) 50 歐姆 (D) 25 歐姆
19 如圖所示之電路若 I1 = 1 A,I2 = 0.5 A,R1 = 5 Ω,R2 = 2 Ω 求 ix 為何?(A) 2.5 A (B) 1.5 A (C)-0.5 A (D)-2 A
32 有兩個弦波電流分別是及,若以相量法計算i1 + i2 ,下列何者正確? (A) i1 + i2 = -28.28sin(100t + 45°)A (B) i1 + i2 = 28.28sin(100t - 45°)A (C) i1 + i2 = -44.72sin(100t + 26.57°)A (D) i1 + i2 = 44.72sin(100t - 26.57°)A
33 圖示週期性電壓波形之有效值為何?(A) 63.6 V (B) 64.42 V (C) 70.7 V (D) 80 V
35 如圖所示之 RLC 串聯電路,已知電路的品質因數為 Q,諧振頻率為 ωo;若 vs(t) 之相量為 100∠0°伏特,當共振時,求此電路上電感電壓 vL(t) 的相量為多少伏特?(A) j100ωo (B) jQ/100 (C) jωo/100 (D) j100Q