所屬科目:初等/五等/佐級◆基本電學大意
3 如圖所示的電路,則 R2 的電阻值為多少歐姆(Ω)? (A) 10 (B) 20 (C) 30(D) 40
7 如圖所示之電路,若流出電源 E 之電流為 6 安培(A),則流經 12 歐姆(Ω)電阻的電流為何? (A) 1 安培 (B) 2 安培 (C) 3 安培 (D) 4 安培
8 如圖所示之電阻電路,電流為 5 安培,求兩端之電位差為多少伏特? (A) 12 (B) 15 (C) 35 (D) 60
12 如圖所示之電路,依戴維寧定理計算通過 5 Ω 電阻之電流 I 為多少安培(A)? (A)-0.2 (B)-0.1 (C) 0.1 (D) 0.2
13 如圖所示之電路,求電流 I 之值約為何? (A) 1.26 A (B) 1.65 A (C) 1.5 A (D) 2.35 A
14 如圖所示之電路,其中 V 為 24 伏特,R 為 6 歐姆,r 為 2 歐姆,則電流 I 為何? (A) 6 安培 (B) 9 安培 (C) 12 安培 (D) 15 安培
15 如圖所示的電路,求 3 kΩ 電阻的消耗功率為何? (A) 0.1 W (B) 0.2 W (C) 0.3 W (D) 0.4 W
17 如圖所示之電路,若 A 點的電壓為 9 伏特(V) ,若利用節點分析法,可求出 B 點的電壓為多少伏特? (A)4 (B)8 (C) 11 (D) 15 負載A
18 如圖所示電路,R1 = 1 Ω,R2 = 2 Ω。若 R2 所消耗的功率為 R1 消耗功率的 2 倍,則電壓 E 為多少伏特? (A) 1.5 (B)3 (C) 4.5 (D)6
19 如圖所示之電路,求電阻 R 之最大功率值為何? (A)8W (B)6W (C) 6.6 W (D) 10 W
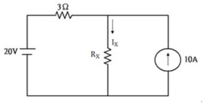
20 如圖所示之電路,設 I1 = 3 A,求 I0 為何? (A)6A (B) 19 A (C) 72 A (D) 93 A
22 如圖所示,當在一均勻磁場 B 中的圓形導體內施加流入紙面方向的電流,此導體感應受力方向為何? (A)流入紙張方向 (B)向下 (C)向上 (D)無受力
24 如圖所示為流進 100 μF 電容器的電流波形,0~1 秒為 10 mA,1~2 秒為-10 mA,2~3 秒為 10 mA, 其他時間為 0 mA,假設此電容器不漏電,計算儲存在電容器中的電荷量為何? (A) 10 庫倫(C) (B) 10 毫庫倫(mC) (C) 30 庫倫(C) (D) 30 毫庫倫(mC)
25 如圖所示的電容器,關於此電容器的電容量與誤差規格及耐壓的標示為 104K 450 V,下列敘述何者正確? (A)電容量 0.1μF 誤差 10% (B)電容量 0.1μF 誤差 5% (C)電容量 0.01μF 誤差 10% (D)電容量 0.01μF 誤差 5%
26 如圖所示電路,在時間 t = 0 時開關 S 閉合,計算此電路之充電時間常數為何? (A)1秒 (B)2秒 (C)4秒 (D)5秒
28 有一電感器其線圈匝數有 1000 匝,通過 5 安培電流時,產生的磁通量為韋伯,則此電感器的 電感量應為多少亨利? (A)1 (B) 1.2 (C) 1.6 (D)2
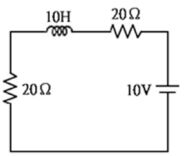
30 如圖所示電感電路,則該電感之穩態電流為多少安培? (A) 0.2 (B) 0.25 (C) 0.5 (D)1
32 如圖所示之電路,若開關(SW)在 t < 0 時在位置 1 上已經很久;當在 t = 0 時,開關由位置 1 移到 位置 2;求在 t ≧0 時電路上的電流 io(t)為何? (A)mA (B)mA t=0 (C)mA io (t) (D)mA
33 如圖所示之並聯 RLC 諧振電路,已知電抗元件的初值能量都為零;其中= 25 sinωt (mA),R = 400 Ω, L = 25 mH,C = 40 mF;並聯諧振時,,求輸出電壓之振幅為何? (A) 0.625 V (B) 1.25 V (C)5V (D) 10 V
34 如圖所示之 RLC 串聯電路,已知 L= 50 μH,C = 0.47 μF 及 R = 5 Ω;求此電路的品質因數(Q)約為何? (A) 2.06 (B) 4.12 (C) 10.3 (D) 12.9
37 v(t)=100sin 2π60t+50sin 2π180t (V),其有效值約為何? (A) 70.7 V (B) 79.1 V (C) 106.1 V (D) 111.8 V
40 如圖所示,將 R-L 並聯電路轉換成 R-L 串聯電路,圖中 R1=2Ω,ωL1=4Ω,則 R2應為多少 Ω? (A) 0.8 (B) 1.6 (C)2 (D)4