阿摩線上測驗
登入
首頁
>
技檢◆視聽電子-丙級
> 無年度 - 02900 視聽電子 丙級 工作項目 05:音響檢修 201-300#20052
無年度 - 02900 視聽電子 丙級 工作項目 05:音響檢修 201-300#20052
科目:
技檢◆視聽電子-丙級 |
選擇題數:
100 |
申論題數:
0
試卷資訊
所屬科目:
技檢◆視聽電子-丙級
選擇題 (100)
201. CMOS 邏輯 IC 的工作電源約為多少伏特? (A)2~10(B)4.75~5.25(C)3~15(D)-12~+12。
202. 欲用 NAND 或 NOR 閘組成反相器(NOT Gate)下列何種接法是錯誤的?
。
203. 下列哪一種元件易受靜電破壞,因此使用時儘量不以手接觸接腳? (A)TTL(B)CMOS(C)RTL(D)ECL。
204. 邏輯電路中,屬於非飽和式邏輯為 (A)TTL(B)DTL(C)ECL(D)CMOS。
205. 如圖,相當於何種邏輯閘? (A)AND(B)OR(C)NAND(D)NOR。
206. 如圖所示符號是為何種閘? (A)AND(B)OR(C)NAND(D)NOR。
207. 下列四個邏輯閘表示圖中,何者為正確?
。
208. 求如圖輸出 Y 之布林函數
。
209. CMOS 數位 IC 編號為 (A)20XX(B)30XX(C)40XX(D)78XX。
210. 下列敘述,何者是 CMOS(互補式 MOS)邏輯電路的主要特點 (A)交換速率比TTL還快得多(B)製作容易、價格低 廉(C)消耗功率極小(D)雜訊免除性在所有邏輯中為最差的。
211. 下列哪一項為 TTL IC 優於 CMOS IC 的特性? (A)工作電壓範圍較廣(B)較能抗拒外來雜訊(C)耗電流較少(D)速度較 快。
212. 下列哪種邏輯閘,當所有輸入端都輸入為 1,輸出才為 0 A(A)ND(B)OR(C)NOT(D)NAND。
213. 如圖的函數方程式
。
214. 要想將一 SN7400 NAND 閘,當成一反相器使用,則對另一輸入端之處理,下列何者不適當?
。
215. 如下圖所示,下列敘述何者有誤? (A)C=1,則Y=AB(B)C=0,則Y=1(C)B=1,則Y=AC(D)B=0,則Y=0。
216. 若 A=1101
(2)
,B=0111
(2)
,兩數作比較則 (A)A>B(B)A<B(C)A=B(D)A≧B。
217. 如下圖所示,請問此電路屬於何種系統? (A)解碼器(B)多工器(C)解多工器(D)編碼器。
218. 如下圖所示,由 IC555 所組成的電路,其功能為 (A)單穩態多諧振盪器(B)雙穩態多諧振盪器(C)不穩態多諧振盪器 (D)韋恩振盪器。
219. 以一個八對一的多工器而言,最少需有幾條選擇線? (A)3條(B)4條(C)5條(D)8條。
220. 十進制數 23.75 化成二進制時,應為 (A)10111.11(B)10111.011(C)10110.101(D)10111.10。
221. 下列布林方程式何者正確?
。
222. 如圖所示電路之布林化數式為何?
223. 如圖所示,為一 (A)半加器(B)半減器(C)比較器(D)解碼器。
224. 在下列各組合邏輯電路中,可由 N 條輸入的資料線中,將其中之一的資料送到唯一的輸出線,是下列哪一項? (A)解碼器(B)編碼器(C)多工器(D)解多工器。
225. 將正反器的輸出 Q 連到下一級正反器時脈(CK)輸入所形成之計數器,稱為 (A)異步(B)同步(C)環形(D)強生 計數 器。
226. 圖為一簡單 R-S 正反器,若輸入端 R=0,S=1 時,輸出 A 為 (A)0(B)1(C)視前一狀態而定(D)無法決定。
227. 如圖電路中,若 CP 輸入頻率為 1kHz,則 f
0
輸出信號頻率為 (A)2kHz(B)1kHz(C)500Hz(D)250Hz。
228. 設計一 100 模的異步計數器至少需 (A)6(B)7(C)8(D)9 個正反器。
229. 如圖為何種型式的正反器? (A)D型(B)T型(C)J、K型(D)R、S型。
230. 在圖中,f
i
的頻率為 8KHz,則 f
o
的頻率為 (A)500(B)1K(C)2K(D)4K Hz。
231. 如下圖所示之電路係為 (A)除8的同步計數器(B)除6的非同步計數器(C)除5的非同步計數器(D)除5的同步計數器。
232. 如圖電路,為何種電路? (A)非穩態(B)單穩態(C)雙穩態(D)樞密特 (Schmitt) 電路。
233. 如圖所示電路,輸出訊號 Q
D
為輸入訊號 A
in
之多少倍除頻? (A)2(B)5(C)6(D)10。
234. 下列何者為半加器之邏輯電路?
。
235. 如圖所示,為一全加器,若
236. 下列哪種放大電路,在靜態時,消耗功率最大? (A)A類(B)B類(C)C類(D)AB類。
237. 變壓器初級與次級之電流大小與其匝數成 (A)反比(B)正比(C)平方成正比(D)平方成反比。
238. 理想的 A 類推挽功率放大器,其輸出效率為 (A)50%(B)78.5%(C)90%(D)95%。
239. 推挽式放大器可減少 (A)直流成分失真(B)奇數諧波失真(C)偶數諧波失真(D)奇、偶數諧波失真。
240. 有交叉失真的是 (A)A類單端放大(B)B類推挽放大(C)AB類推挽放大(D)A類推挽放大。
241. 圖下所示電路是屬於 (A)A類推挽放大器(B)AB類推挽放大器(C)B類推挽放大器(D)C類推挽放大器。
242. 圖下所示當 R
E
短路時,會發生 (A)諧波失真減小(B)熱穩定性良好(C)集極電流減小(D)電晶體容易發熱。
243. 使用哪一類放大器可以補救 B 類的交叉失真現象 (A)A類(B)AB類(C)C類(D)D類。
244. AB 類推挽放大的效率在 (A)25%~78.5%(B)50%~78.5%(C)78.5%~100%(D)50%~100%。
245. 在無訊號輸入時,電路的功率損失最小的是 (A)A類(B)B類(C)AB類(D)C類 放大器。
246. OTL 是指 (A)無輸出變壓器(B)無輸入變壓器(C)無輸出電容器(D)無輸入電容器 的功率放大器。
247. 為何電晶體適宜於 OTL 電路,而真空管則否 (A)電晶體輸出阻抗低(B)真空管輸出阻抗低(C)真空管電壓高(D)真空 管頻率響應差。
248. SEPP 是指 (A)電阻輸出推挽放大(B)電容輸出推挽放大(C)變壓器輸出推挽放大(D)單端推挽放大 電路。
249. OTL 推挽式放大器用什麼隔離輸出的直流部分 (A)電阻器(B)電感器(C)變壓器(D)電容器。
250. OCL 放大器,其輸出接喇叭之中點電壓應為 (A)0V(B)1/2Vcc(C)Vcc(D)2Vcc。
251. OTL 放大器的 (A)低頻(B)中頻(C)高頻(D)極高頻 響應較雙端推挽式(DEPP)佳。
252. OCL 電路之輸入級採用差動放大器,是取其優點為 (A)頻率響應較寬(B)訊號雜音比較高(C)失真較小(D)穩定性較 佳。
253. OCL 電路主要的優點是 (A)平衡調整容易(B)中頻響應良好(C)高頻響應良好(D)頻率響應較佳。
254. SEPP 的輸出電容器之電容值要 (A)很小(B)很大(C)1μF(D)不一定大小 以適合於匹配之用。
255. 放大器之失真可分為 (A)頻率及相位失真(B)頻率及波幅失真(C)頻率、相位及波幅失真(D)延遲及波幅失真。
256. 一電路對各種不同頻率之正弦波產生不同之放大倍數,則此電路發生 (A)諧波失真(B)相位失真(C)頻率失真(D)調 變失真。
257. 一電路對於各種頻率正弦波之延遲作用不一致是發生 (A)諧波失真(B)相位失真(C)頻率失真(D)交互調變失真。
258. 推挽放大用變壓器的缺點是 (A)低頻響應差(B)中頻響應差(C)高頻響應差(D)高頻響應佳。
259. 電晶體 B 類推挽式擴音機,音量大時無顯著失真,音量小時失真增加。其原因為無訊號時之靜態 (A)集極電壓 太低(B)集極電壓太高(C)集極電流太高(D)基極電壓太低。
260. 一部放大器,在工作的頻率範圍內,其增益隨頻率不同而變化,此種現象稱為 (A)振幅失真(B)頻率失真(C)相位 失真(D)交叉失真。
261. 一 8Ω 揚聲器上電壓波形 V0 如圖所示,則其消耗功率為 (A)50W(B)25W(C)12.5W(D)6.25W。
262. 如下圖所示,音量大時良好,而音量小時卻失真增加,其原因為 (A)R
6
開路或變大(B)T
r
開路或變大(C)Q
1
或Q
2
(D) 中一個燒斷 T
1
與T
2
矽鋼片大小。
263. 如下圖所示電路之輸出級為(A)A類(B)B類(C)C類 (D)AB類 放大。
.
264. 如下圖所示,當 V
i
為正半週時,下列敘述何者為真? (A)Q
1
導電,Q
2
導電,Q
3
不導電,V
0
為正(B)Q
1
導電,Q
2
不 導電,Q
3
導電,V
0
為負(C)Q
1
導電,Q2導電,Q3不導電,V
0
為負(D)Q
1
不導電,Q
2
導電,Q
3
不導電,V
0
為正。
265. 如下圖所示,若 V
i
為弦波,在不失真情況下,輸出於 R
L
=8Ω 之最大平均功率為 (A)50W(B)40W(C)25W(D)12.5W。
266. 圖下中,欲使喇叭獲得最大功率,則變壓器數比 N :N 為 (A)36:1(B)1:36(C)6:1(D)1:6。
267. 某放大器輸入功率為 0.01W,輸出功率為 10W,則功率增益為何? (A)10dB(B)20dB(C)30dB(D)40dB。
268. 一放大器的功率增益為 10000,則此放大器之功率增益可以表示為 (A)40dB(B)4dB(C)20dB(D)10000dB。
269. 某一功率放大器,其輸入訊號與輸出訊號的波形如圖所示,則此放大器是屬於 (A)A(B)B(C)AB(D)C 類放大器。
270. 一個放大器的電流增益是 40,電壓增益是 250,則總功率增益是 (A)20dB(B)40dB(C)60dB(D)80dB。
271. 所謂半功率點,是指電壓增益衰減到約中頻增益之 (A)0.5(B)1(C)1.414(D)0.707。
272. 效率最高的放大器是 (A)A類(B)B類(C)AB類(D)C類 放大器。
273. OTL 放大器,其輸出的中點電壓為 (A)0V(B)1/2Vcc(C)2/3Vcc(D)1Vcc。
274. 放大器的偏壓選擇不當,將引起 (A)波幅失真(B)頻率失真(C)相位失真(D)輸入信號短路。
275. 功率電晶體的集極與外殼通常接在一起,其最主要的目的是 (A)美觀(B)製作方便(C)容易辨認(D)散熱較好。
276. 下列何者不是達靈頓電路之特點 (A)高電壓增益(B)高電流增益(C)高輸入阻抗(D)低輸出阻抗。
277. 有一放大器將 1mV 信號放大至 10V,其電壓增益為 (A)20dB(B)40dB(C)60dB(D)80dB。
278. 放大器之工作點在截止區者為 (A)AB類放大(B)B類放大(C)A類放大(D)C類放大。
279. 一個三級放大電路,各級電壓分別為 10dB、20dB、30dB 則總電壓增益為 (A)30dB(B)60dB(C)300dB(D)600dB。
280. 音量單位(VU)參考值,它的定義為 (A)1毫瓦功率消耗500歐姆(B)1毫瓦功率消耗600歐姆(C)1微瓦功率消耗600歐姆(D)1微瓦功率消耗500歐姆。
281. 要瞭解放大器失真情形最準的儀器是 (A)互調失真表(B)高諧波失真(C)示波器(D)頻譜分析儀。
282. 下圖何者不是達靈頓電晶體符號?
。
283. 某放大器,若在其輸出信號中產生輸入信號所沒有之新頻率,則此種現象稱為: (A)波幅失真(B)頻率失真(C)相 位失真(D)延遲失真。
284. 沒有輸出電容器(OCL)之功率大器,採用直接交連的主要原因為 (A)改善低頻響應(B)防止頻率漂移(C)減少衰減 (D)減少干擾。
285. 一 OTL 電子電路使用之 DC 電源電壓 64V,喇叭阻抗為 8Ω,則最大輸出功率為 (A)16W(B)32W(C)64W(D)20W。
286. 如下圖為典型的 OTL 線路,其中用來抑制高頻振盪的電容器是 (A)C10(B)EC
6
(C)EC
2
(D)C12。
287. B 類放大器會產生交叉失真,如何避免交叉失真? (A)更換對稱的電晶體(B)增加輸入信號之大小(C)降低負載大小21 (D)基極增加順向偏壓。
288. 電晶體乙類推挽式擴音機,音量大時無顯著失真,音量小時失真增加。其原因為無訊號時之靜態 (A)集極電壓 太低(B)集極電壓太高(C)集極電流太高(D)基極電壓太低。
289. OCL 和 OTL 擴大機電路在比較上,下列何者有誤? (A)低頻諧波失真,OTL比OCL為大(B)OCL有正負兩組電 源供給,OTL則為單一電源供給(C)OCL省掉輸出電容(D)OTL比OCL失真率小。
290. 下列有關 OTL 及 OCL 放大器之敘述何者錯誤? (A)OTL放大器沒有輸出電容器(B)OCL放大器沒有輸出變壓器 OTL(C)放大器只用一組電源,而OCL放大器必須用正負兩組等值的電源(D)OTL放大器的輸入端多為共射極放大 器。
291. 推挽放大器是為了提高 (A)散熱效果(B)穩定度(C)叉失失真(D)效率。
292. 如下圖所示,為何類放大電路? (A)A類(B)B類(C)AB類(D)C類。
293. 一電路對於各種頻率正弦波之延遲作用不一致是發生 (A)諧波失真(B)相位失真(C)互調變失真(D)頻率失真。
294. 輸入
,輸出何者代表振鈴現象?
。
295. 輸入
,若高頻過度,則輸出為
。
296. 輸入
,若高頻不足,則輸出為
。
297. 輸入
,若低頻不足,則輸出為
。
298. 輸入
,若低頻過度,則輸出為
。
299. OTL 聲頻功率放大器,省略變壓器之後,什麼響應會明顯改善? (A)高頻(B)中頻(C)低頻(D)雜訊。
300. 在小音量時,為彌補人耳高、低音之不足,須使用之控制開關為 (A)Loudness(B)Balance(C)Treble(D)Bass。
申論題 (0)
相關試卷
114年 - 02900 視聽電子 丙級 工作項目 06:收錄音機檢修 51-93(2025/10/16 更新)#132319
114年 · #132319
114年 - 02900 視聽電子 丙級 工作項目 06:收錄音機檢修 1-50(2025/10/16 更新)#132318
114年 · #132318
114年 - 02900 視聽電子 丙級 工作項目 05:音響檢修 401-443(2025/10/16 更新)#132317
114年 · #132317
114年 - 02900 視聽電子 丙級 工作項目 05:音響檢修 351-400(2025/10/16 更新)#132316
114年 · #132316
114年 - 02900 視聽電子 丙級 工作項目 05:音響檢修 301-350(2025/10/16 更新)#132315
114年 · #132315
114年 - 02900 視聽電子 丙級 工作項目 05:音響檢修 251-300(2025/10/16 更新)#132314
114年 · #132314
114年 - 02900 視聽電子 丙級 工作項目 05:音響檢修 201-250(2025/10/16 更新)#132313
114年 · #132313
114年 - 02900 視聽電子 丙級 工作項目 05:音響檢修 151-200(2025/10/16 更新)#132312
114年 · #132312
114年 - 02900 視聽電子 丙級 工作項目 05:音響檢修 101-150(2025/10/16 更新)#132311
114年 · #132311
114年 - 02900 視聽電子 丙級 工作項目 05:音響檢修 51-100(2025/10/16 更新)#132310
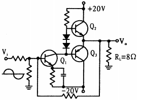
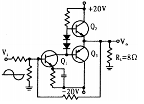
114年 · #132310