阿摩線上測驗
登入
首頁
>
電路學
> 100年 - 100 地方政府特種考試_三等_電力工程、電子工程、電信工程:電路學#26865
100年 - 100 地方政府特種考試_三等_電力工程、電子工程、電信工程:電路學#26865
科目:
電路學 |
年份:
100年 |
選擇題數:
0 |
申論題數:
6
試卷資訊
所屬科目:
電路學
選擇題 (0)
申論題 (6)
【已刪除】一、用節點分析法,求圖 1 中之v1及v2。(20 分)
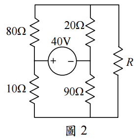
【已刪除】二、為使圖 2 中之 R 值吸收最大功率,求 R 值,並求 R 值吸收之最大功率。(15 分)
【已刪除】三、圖 3 中之開關在 t = 0 之前為關閉狀態,而且電路已達穩定狀態,在 t = 0 時,開關 打開,求電感電流
i
。(15 分)
四、一平衡三相電路系統,負載端為△接線,線電壓為 440 V,三相負載消耗 30 kW, 功率因數為 0.85 落後,求輸送線上的線電流及每相之負載阻抗。(20 分)
【已刪除】五、圖 4 為一帶通濾波器,假設諧振頻率
f
0
= 5 kHz,頻寬B = 200 Hz,C = 5 μF,求R及L 的值。(15 分)
【已刪除】六、圖 5 為一含互感之雙埠電路,求 z 參數。(15 分)
相關試卷
115年 - 115 身心障礙特種考試_三等_電子工程:電路學#138936
115年 · #138936
114年 - 114 地方政府公務特種考試_三等_電力工程、電子工程、電信工程:電路學#134770
114年 · #134770
114年 - 114 專技高考_電機工程技師:電路學#133707
114年 · #133707
114年 - 114 專技高考_電子工程技師:電路學#133700
114年 · #133700
114年 - 114 公務升官等考試_薦任_電力工程、電子工程、電信工程:電路學#133241
114年 · #133241
114年 - 114 高等考試_三級_電力工程、電子工程、電信工程:電路學#128784
114年 · #128784
113年 - 113-2 國營臺灣鐵路股份有限公司_從業人員甄試_第8階-助理工程師-電機:電路學#137142
113年 · #137142
113年 - 113 地方政府公務特種考試_三等_電力工程、電子工程:電路學#124508
113年 · #124508
113年 - 113 專技高考_電機工程技師:電路學#123962
113年 · #123962
113年 - 113 專技高考_電子工程技師:電路學#123933
113年 · #123933