阿摩線上測驗
登入
首頁
>
技師◆流體力學與流體機械
> 100年 - 100 專技高考_冷凍空調工程技師:流體力學與流體機械#27178
100年 - 100 專技高考_冷凍空調工程技師:流體力學與流體機械#27178
科目:
技師◆流體力學與流體機械 |
年份:
100年 |
選擇題數:
0 |
申論題數:
5
試卷資訊
所屬科目:
技師◆流體力學與流體機械
選擇題 (0)
申論題 (5)
【已刪除】一、如圖一所示之 AB 曲線為 1/4 圓弧,其寬度為 4 m 所形成一液壓曲面之閘門,試求 頂住閘門之作用力 R 值?(20 分)
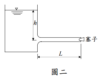
【已刪除】二、一長度 L 的水平管道連接於一大水槽,如圖二所示。水槽開口於大氣,水面在管道 軸心上的高度為 h,在時間 t = 0 時,拔出塞子,水因重力作用而流出,不計阻力, 若 h 維持不變,試證管道中任一時刻的速度為
。(20 分)
【已刪除】三、如圖三所示之水流中,若忽略因流動干擾所造成之測量誤差,試求流量大小。
。(20 分)
【已刪除】
四、如圖四所示為一離心泵系統管路圖,將A槽中的水加壓泵送至B槽,兩水槽水面高度 差H
α
為 11 m,吸水管長度ℓ
1
= 10 m,管徑d
1
= 100 mm,管路摩擦係數
f
1 = 0.025,總微 損係數CL
1
= 2,排水管長度ℓ
2
= 30 m,管徑d
2
= 75 mm,管路摩擦係數
f
2
= 0.027,總微 損係數CL
2
= 12。若此泵之性能曲線近似於H = 15-0.043
Q
2
,式中H單位為m,
Q
單位 為ℓ / s,試求此泵系統之運轉流量及揚程。(20 分)
五、一輪機式風扇在轉速為 6000 rpm時,風量為 0.5 m
3
/ min,靜壓為 132 mm Aq,軸動 力為 0.0493 kW,此風扇若運轉於 8000 rpm時,其風量、靜壓及軸動力各為若干?(20 分)
相關試卷
114年 - 114 專技高考_機械工程技師:流體力學與流體機械#133682
114年 · #133682
114年 - 114 專技高考_冷凍空調工程技師:流體力學與流體機械#133673
114年 · #133673
113年 - 113 專技高考_機械工程技師:流體力學與流體機械#123970
113年 · #123970
113年 - 113 專技高考_冷凍空調工程技師:流體力學與流體機械#123961
113年 · #123961
112年 - 112 專技高考_機械工程技師:流體力學與流體機械#117662
112年 · #117662
112年 - 112 專技高考_冷凍空調工程技師:流體力學與流體機械#117610
112年 · #117610
111年 - 111 專技高考_冷凍空調工程技師:流體力學與流體機械#111949
111年 · #111949
111年 - 111 專技高考_機械工程技師:流體力學與流體機械#111948
111年 · #111948
110年 - 110 專技高考_機械工程技師:流體力學與流體機械#104180
110年 · #104180
110年 - 110 專技高考_冷凍空調工程技師:流體力學與流體機械#104172
110年 · #104172