阿摩線上測驗
登入
首頁
>
基本電學(概要)
> 101年 - 101 原住民族特種考試_四等_電子工程:基本電學#44600
101年 - 101 原住民族特種考試_四等_電子工程:基本電學#44600
科目:
基本電學(概要) |
年份:
101年 |
選擇題數:
0 |
申論題數:
7
試卷資訊
所屬科目:
基本電學(概要)
選擇題 (0)
申論題 (7)
⑴設一跨接於 8 μF 電容器上的電壓值如圖一所示,試求通過此電容器之電流值。 (10 分)
⑵若在 1 ms 之內,磁通量均勻變化而感應的線圈電壓為 100 V,當相同的磁通量改 變發生在 0.1 秒內,則將產生多少感應電壓?(10 分)
⑴下圖二,當開關S在t=0 閉合且電路已達穩態後,求電源電流I
T
之值。(10 分)
⑵試求圖三電路之等效電感值L
T
。(10 分)
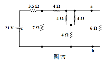
【已刪除】三、有一電路如圖四所示,試求出 6 Ω 電阻器所吸收之功率。(20 分)
【已刪除】四、試求圖五中,電壓 V(t)之值為多少?(20 分)
【已刪除】五、試求圖六 a、b 兩端點左側電路之戴維寧等效電路及電流相量 I 之值。(20 分)
相關試卷
115年 - 115 關務特種考試_四等_電機工程(選試英文):基本電學#138955
115年 · #138955
115年 - 115-1 臺北市立大安高工教師甄選試題_電子/控制科:基本電學#138451
115年 · #138451
114年 - 114 關務特種考試_四等_電機工程(選試英文):基本電學#126651
114年 · #126651
113年 - 113 關務特種考試_四等_電機工程(選試英文)、電機工程(選試日文):基本電學#119481
113年 · #119481
112年 - 112 地方政府特種考試_四等_電力工程、電子工程、電信工程:基本電學#118330
112年 · #118330
112年 - 112 普通考試_電力工程、電子工程、電信工程:基本電學#115756
112年 · #115756
112年 - 112 關務特種考試_四等_電機工程:基本電學#113949
112年 · #113949
111年 - 111 地方政府特種考試_四等_電力工程、電子工程、電信工程:基本電學#112594
111年 · #112594
111年 - 111 中華郵政股份有限公司_職階人員資產營運及工程類科甄試試題_專業職(一)/電力工程:基本電學#111525
111年 · #111525
111年 - 111 普通考試_電力工程、電子工程、電信工程:基本電學#109349
111年 · #109349