阿摩線上測驗
登入
首頁
>
統測◆(一)電子學、基本電學
> 101年 - 101 四技二專統測_電機與電子群電機類、電機與電子群資電類_專業科目(一):電子學、基本電學#18080
101年 - 101 四技二專統測_電機與電子群電機類、電機與電子群資電類_專業科目(一):電子學、基本電學#18080
科目:
統測◆(一)電子學、基本電學 |
年份:
101年 |
選擇題數:
50 |
申論題數:
0
試卷資訊
所屬科目:
統測◆(一)電子學、基本電學
選擇題 (50)
1. 將 2 庫倫之電荷通過一元件作功 6 焦耳,則該元件兩端的電位差為何? (A) 2V (B) 3V (C) 4V (D) 5V
2. 三個電阻並聯,其電阻值分別為 2 Ω、6 Ω、8 Ω,已知流經 6 Ω 電阻的電流為 2 A,則 流經 2Ω 電阻的電流為何? (A) 2A (B) 4A (C) 6A (D) 8A
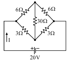
3. 如圖(一)所示電路,電流 I 之值為何?
(A) 2A 圖(一) (B) 3A (C) 4A (D) 5A
4. R1與 R2兩電阻並聯,已知流過兩電阻之電流分別為 I
R1
= 6 A,I
R2
= 2 A,且 R
1
= 5 Ω,則 R
2
電阻消耗功率為何? (A) 60W (B) 80W (C) 100W (D) 120W
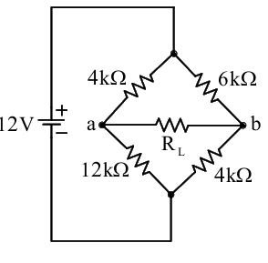
5. 如圖(二)所示電路,負載電阻R
L
為何值時可得最大功率?
(A) 3.4kΩ 圖(二) (B) 5.4kΩ (C) 7.4kΩ (D) 8.4kΩ
6. 以迴路分析法分析圖(三)之直流電路,其
a
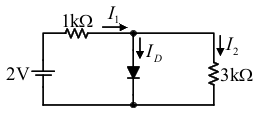
11
I
1
+a
12
I
2
+a
13
I
3
=10
a
21
I
1
+a
22
I
2
+a
23
I
3
=6
a
31
I
1
+a
32
I
2
+a
33
I
3
=6
則a
11
+a
21
+a
31
=? 所列方程式如下:
(A) 2 圖(三) (B) 4 (C) 10 (D) 16
7. 有一電器使用100伏特的電壓,在5秒內消耗2000焦耳的電能,若此電器連續使用 10 小時, 則消耗多少度電? (A) 1 度 (B) 2 度 (C) 3 度 (D) 4 度
8. 以相同材料製作之 a、b 兩導線,已知 a 的截面積為 b 的 2 倍,a 的長度為 b 的 4 倍,則 a導 線與 b 導線電阻值之比為何? (A) 2:1 (B) 4:1 (C) 1:2 (D) 1:4
9. 如圖(四)所示電路,則 2μF 電容的充電電量為何?
(A) 20μC (B) 40μC (C) 60μC (D) 80μC
10. 電感值為 0.1H 的電感器儲存 3.2 焦耳能量,則此電感器通過多少安培電流? (A) 8A (B) 5A (C) 3A (D) 1A
11. 如圖(五)所示電路,開關 S 在 t=0 時閉合,假設電容在開關閉合前無任何儲能。求經過 10
-3
秒(sec )時,電容兩端之瞬時電壓 VC( t=10
-3
sec )值約為何?
(A) 19V 圖(五 ) (B) 26V (C) 29V (D) 30V
12. 如圖(六)所示電路,v(t)=100 √2 sin(1000t+30°)V,L=10mH,則 i(t)之相量式為何?
(A) 10∠0°A (B) 10 ∠30 °A (C) 10 ∠-30 °A (D) 10∠- 60 °A
13. 將一個 300Ω 電阻與
電容串聯接至100 ∠0° V 100Hz 之電源,則電路阻抗值為何? (A) 300Ω (B) 400Ω (C) 500Ω (D) 600Ω
14. 如圖(七)所示之 RLC 串聯交流電路,已知電源角速度 ω=400 弳度/秒(rad/s),則VL 值 為何?
(A) 100V 圖(七) (B) 50V (C) 20V (D) 10V
15. 有兩交流電流,
,則 i
1
與 i
2
的相位關係為何? (A) i
1
與 i
2
同相位 (B) i
1
相位超前 i
2
30° (C) i
1
相位超前 i
2
60° (D) i
1
相位超前 i
2
90°
16. 如圖(八)所示之純電容交流電路,已知 v(t)=100 √2 sin(500t+30°)V,C=200μF,則 i(t) 為何?
(A) 100 √2 sin(500t+30°)A 圖(八) (B) 100 √2 sin(500t+120°)A (C) 10 √2 sin(500t+30°)A (D) 10 √2 sin(500t+120°)A
17. 有一電阻 R=50Ω 與一電容抗 X
C
=50Ω 之電容器組成的 RC並聯交流電路。若外加電源電壓 為 v (t)=100sin( 100t+30°)V,則流經電容器電流的有效值為何? (A) 1A (B) √2 A (C) 2A (D) 2 √2 A
18. 如圖(九)所示之 RC 交流電路,已知
,則電容抗X
C
之值 為何?
(A) 57.6Ω (B) 47.6Ω (C) 37.6Ω (D) 27.6Ω
19. 如圖(十)所示之交流電路,已知 v
s
(t) =100sin1000t V,則i(t) 為何?
(A) 10sin( 1000t− 45°)A 圖(十) (B) 10sin( 1000t−37°)A (C) 7sin( 1000t−30°)A (D) 7sin( 1000t+30°)A
20. 如圖(十一)所示之 RC 交流電路,已知
,則電路功率因數為何?
(A) 0.87 圖(十一) (B) 0.80 (C) 0.71 (D) 0.50
21. 已知 RLC 串聯交流電路的 R、L、C 電壓分別為V
R
= 80V 、V
L
= 60V 、V
C
= 120V ,且流 過R 的電流為10 ∠0 °A ,則此電路的視在功率為何? (A) 2600VA (B) 1400VA (C) 1000VA (D) 800VA
22. 如圖(十二)所示之交流電路,已知 v
s
(t) =100sin500t V,電路的功率因數為 0.8 落後,則 電容 C 之值為何?
(A) 65μF (B) 50μF (C) 35μF (D) 20μF
23. 如圖 ( 十三 ) 所示之交流電路,已知
、 X
L
與 X
C
的比為 1:3,則
為何?
(A) 2.12∠90°A 圖(十三) (B) 2.12∠80° A (C) 0.71∠80° A (D) 0.71∠90°A
24. 已知 RLC 串聯交流電路的電源角速度 ω = 9000 弳度 / 秒 ( rad /s) ,電路的 R、 X
L
、 X
C
比為 2:3:1,則電路的諧振頻率為何? (A) 716Hz (B) 827Hz (C) 1013Hz (D) 1755Hz
25. 已知三相 Y 型連接發電機之兩相電壓分別為 e
bn
(t)=110sin( 377t−120°)V 及 e
cn
(t)=110sin( 377t+120°)V,則線電壓 e
bc
(t)= ebn (t) − e
cn
(t)為何? (A) 191sin377t V (B) 110sin377t V (C) 191sin(377t−90°)V (D) 110sin(377t−90°)V
26.A
VT
會發生什麼樣的變化?
(A) 由大漸變小 圖(十四) (B) 由小漸變大 (C) 維持不變 (D) 先變大再變小
27. 承上題,當負載電阻由 R
L
=8Ω 逐漸增大到 R
L
=10MΩ 的過程中,試問 A
V1
會發生什麼樣 的變化? (A) 由大漸變小 (B) 由小漸變大 (C) 維持不變 (D) 先變大再變小
28. 下列四種典型的 FET 共源極偏壓電路中,VGS (t)為 FET 導通的臨限電壓,參數 k 的單位為 mA/V2 ,VDSQ為 FET的汲極與源極間的直流工作電壓,假設四個 FET的歐力電壓皆為∞ , A
v
=V
0
(t)/V
i
(t) 為小信號電壓增益,試問下列何者可得最大的電壓增益 |AV| ?
29. 圖 ( 十五 ) 所示之 FET 放大器電路中,
A
v
=v
o
(t)/v
i
(t)為小信號之電壓增益,試問移除 旁路電容CB 後,其| A
V
|與移除前比較有何不同?
(A) 變小 圖(十五) (B) 變大 (C) 不受影響 (D) 極性改變
30. 圖(十六)為一 JFET放大器之小信號等效電路圖,試問此電路之電壓增益A
v
=v
0
(t)/v
i
(t)?
31. 圖(十七)放大電路中,Vio為考慮運算放大器的輸入抵補電壓後的等效電壓值。若vi(t)=0V時,測得 v
0
(t)= 20mV,則 V
io
=?
(A) 2.5mV 圖(十七) (B) 5mV (C) 10mV (D) 20mV
32. 圖(十八)所示之運算放大器電路中,V
Z
為稽納二極體的崩潰電壓,若 V
Z
=6V,試問在正常 工作下的 I
f
為何?
(A) 2mA 圖(十八) (B) 1.5mA (C) 1.25mA (D) 1mA
33. 下列何者 為正確的輸出電壓信號 v
0
(t) ?(圖中的垂直虛線為時間的參考對齊線)
34. 承上題,下列措施,何者可有效提高輸出方波信號的頻率? (A) 提高 Vref值 (B) 降低 Vref值 (C) 減少 R2 /R1的比值 (D) 縮短三角波信號 ( ) s v t 的週期
35. 圖(二十)為 555 IC 的典型方波產生器電路,其輸出方波信號的週期為 T=T+ +T-,其中 T+和 T-分別為正負電位的時間。令工作週期=(T+ /T)×100%,試問下列何種 R1和 R2的 組合可得工作週期=75%的週期性方波信號?
(A) R1=1kΩ,R2=2kΩ (B) R1=2kΩ,R2=1kΩ (C) R1=1kΩ,R2=3kΩ (D) R1=3kΩ,R2=1kΩ
36. 據報導指出:台積電與聯電在 90 奈米製程世代發展至今已步入成熟階段,產能比重均已 大幅提高。這裡所指的 90 奈米,為何種尺寸? (A) 電晶體的閘極長度 (B) 電容器的絕緣層厚度 (C) 電路的金屬線寬度 (D) 金屬間的連結栓直徑
37. 如圖(二十一)所示電路,若V
Z
= 4V ,則稽納二極體的消耗功率為多少?(不考慮稽納二極體 的電阻)
(A) 120mW 圖(二十一) (B) 240mW (C) 360mW (D) 480mW
38. 如圖(二十二)所示電路,若不考慮二極體的順向電阻,二極體的障壁電壓為 0.75V,試求 二極體的電流 I
D
大小為何?
(A) 0mA 圖(二十二) (B) 1mA (C) 2mA (D) 3mA
39. 下列何種摻雜的改變行為,可增加 BJT 電晶體的電流增益 β? (A) 基極與射極摻雜濃度均降低 (B) 基極與射極摻雜濃度均增加 (C) 基極摻雜濃度增加與射極摻雜濃度降低 (D) 基極摻雜濃度降低與射極摻雜濃度增加
40. 下列敘述何者有誤? (A) BJT 當開關使用時是工作於飽和區或截止區 (B) BJT 當放大器使用時是工作於主動區 (C) BJT 在主動區的偏壓方式是 BE 接面順向偏壓,BC 接面逆向偏壓 (D) BJT 在飽和區的偏壓方式是 BE 接面逆向偏壓,BC 接面逆向偏壓
41. 下列對於JFET的特性敘述何者正確? (A) VGS接近截止( cut- off)電壓時,汲極與源極間的崩潰電壓比在 VGS=0V 時為大 (B) 在室溫附近,溫度愈高時,有較小的汲極電流 (C) 通道寬度愈窄,夾止 ( pinch-off)電壓愈大 (D) P 通道接面場效電晶體的高電位在汲極端
42. 如圖(二十三)所示電路,場效電晶體之參數為:臨界電壓(threshold voltage )V
T
=2.0V, k=2mA/V
2
。求 I
DS
為何?
(A) 8mA 圖(二十三) (B) 4mA (C) 2mA (D) 0mA
43. 如圖(二十四)之電路,假設 RC 值遠大於輸入信號 v
s
(t)之週期,D 為理想二極體,試問 輸出電壓 v
o
(t) 之直流準位為何?
(A) 0V 圖(二十四) (B) −5V (C) −10V (D) −15V
44. 如圖(二十五)所示之電路,假設 V
BE
( on )=0.7V,β=80,試問 VCE約為下列何值?
(A) 1.4V 圖(二十五) (B) 3.4V (C) 5.4V (D) 7.4V
45. 如圖(二十六)所示之電路,β=120。假設 L1為原先之直流負載線(load line ),Q1 為原先 之直流工作點。若只改變 R
C
值,欲使得直流負載線由 L
1
變成 L
2
,試問 R
C
值需變為下列 何值?
(A) 0.50kΩ (B) 0.75kΩ (C) 1.00kΩ (D) 1.25kΩ
46. 如圖 ( 二十七 ) 所示之電路, R
1
= 100 Ω, I
s
為理想電流源,β = 100, 熱電壓(thermal voltage)V
T
=26mV,歐力電壓(Early voltage)V
A
=∞。若 R
out
=3Ω,則 I
s
值 為何?
(A) 3.93mA 圖(二十七) (B) 6.93mA (C) 9.93mA (D) 12.93mA
47. 如圖(二十八)所示之電路,假設所有二極體皆為理想二極體,試問輸出電壓 v
o
(t)之平均電壓值 為何?
(A) 3V 圖(二十八) (B) −3V (C) 7V (D) −7V
48. 如圖 ( 二十九 ) 所示之電路,假設電晶體工作於主動區 ( active region ) ,欲使 Av=v
o
(t)/v
s
(t)=-40,則 R
C
應為下列何值?
(A) 1kΩ 圖(二十九) (B) 2kΩ (C) 3kΩ (D) 4kΩ
49. 如圖(三十)所示之電路,有關此電路之特性敘述,何者正確?
(A) C
2
的耐壓至少需為一倍 V
m
(B) C
3
的耐壓至少需為兩倍 V
m
(C) D
1
的峰值逆向電壓至少為兩倍 V
m
(D) 此電路為半波三倍壓電路
50. 如圖(三十一)所示之電路,V
EB( on )
=0.7V,β=120,求 V
EC
=?
(A) 6.9V 圖(三十一) (B) 7.9V (C) 8.9V (D) 9.9V
申論題 (0)
相關試卷
115年 - [無官方正解]115 四技二專統測_電機與電子群電機類 電機與電子群資電類_專業科目(一):基本電學、基本電學實習、 電子學、電子學實習#139187
115年 · #139187
114年 - 114 四技二專統測_電機與電子群電機類 電機與電子群資電類_專業科目(一):基本電學、基本電學實習、 電子學、電子學實習#126877
114年 · #126877
113年 - 113 四技二專統測_電機與電子群電機、電資類_專業科目(一):基本電學、基本電學實習、 電子學、電子學實習#119627
113年 · #119627
112年 - 112 四技二專統測_電機與電子群電機、電資類_專業科目(一):基本電學(實習)、電子學(實習)#114333
112年 · #114333
111年 - 111 身心障礙學生升學大專校院甄試試題_四技二專組_電機與電子群電機、資電類_專業科目(一):基本電學、基本電學實習、電子學、電子學實習#118902
111年 · #118902
111年 - 111 四技二專統測_電機與電子群電機、電資類_專業科目(一):電子學(含實習)、基本電學(含實習)#107683
111年 · #107683
110年 - 110 四技二專統測_電機與電子群電機類、電機與電子群電資類_專業科目(一):電子學、基本電學#98522
110年 · #98522
109年 - 109 四技二專統測_電機與電子群電機類、電機與電子群資電類_專業科目(一):電子學、基本電學#85155
109年 · #85155
108年 - 108 四技二專統測_電機與電子群電機類、電機與電子群資電類_專業科目(一):電子學、基本電學#79927
108年 · #79927
107年 - 107 四技二專統測_電機與電子群電機類、電機與電子群資電類_專業科目(一):電子學、基本電學#68917
107年 · #68917