阿摩線上測驗
登入
首頁
>
圖學
> 101年 - 101 身心障礙特種考試_四等_技藝:圖學概要#44696
101年 - 101 身心障礙特種考試_四等_技藝:圖學概要#44696
科目:
圖學 |
年份:
101年 |
選擇題數:
0 |
申論題數:
3
試卷資訊
所屬科目:
圖學
選擇題 (0)
申論題 (3)
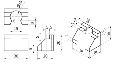
【已刪除】一、請依視圖與立體圖所示之尺度,以比例 1:1 繪製完整的俯視圖、前視圖、右側視 圖及等角圖(不用標註尺度)。(40 分)
【已刪除】二、請依立體圖所示之尺度以比例 1:1 繪製其俯視圖、前視圖及左側視圖(不用標註 尺度)。(30 分)
【已刪除】三、請依視圖所示之尺度以比例 1:1 繪製下圖並標註尺度;A 為半徑 R50 內切於 R10 與 R15 兩圓弧,B 為半徑 R80 外切於 R20 與 R15 兩圓弧。(30 分)
相關試卷
114年 - 114 公務升官等考試_薦任_技藝:圖學#133192
114年 · #133192
114年 - 114 普通考試_技藝:圖學概要#128725
114年 · #128725
113年 - 113 普通考試_技藝:圖學概要#121137
113年 · #121137
112年 - 112 普通考試_技藝:圖學概要#115317
112年 · #115317
111年 - 111 普通考試_技藝:圖學概要#109301
111年 · #109301
110年 - 110 公務升官等考試_薦任_技藝:圖學#103451
110年 · #103451
110年 - 110 高等考試_三級_技藝(選試陶瓷):圖學#102384
110年 · #102384
109年 - 109 普通考試_技藝:圖學概要#88706
109年 · #88706
108年 - 108 專技高考_測量技師:製圖學#80636
108年 · #80636
108年 - 108 公務升官等考試_薦任_技藝:圖學#80332
108年 · #80332