所屬科目:圖學
一、請在 100 mm×100 mm 的範圍內依照正確比例重新繪製下圖的多邊形,且保持線段 AB 為垂直線,BOC 為垂直角,然後標註夾角 ADC 的角度(無須繪製題目已經標註的角度) 。(25 分)
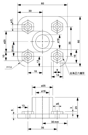
二、請依下列等角立體圖所示之尺寸(單位:mm) ,以第三角法 1:1 之比例繪製該立體之三視圖(須標註尺寸,三視圖須在同一頁面)。(25 分)
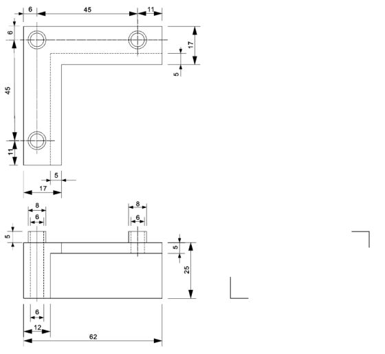
三、請依照下列正投影視圖所示(單位:mm) ,以第三角法 1:1 比例繪製一等角立體圖(不須標註尺寸,不須有隱藏線,視角選擇以能充分表達物件特徵為要求,非等角立體圖不予計分)。(25 分)
四、下圖是第三角法繪製的前視圖(下),以及俯視圖(上),請在 100 mm×100 mm 範圍內依照正確的尺寸(單位:mm),繪製出右側視圖(無須標註尺寸)。(25 分)