所屬科目:圖學
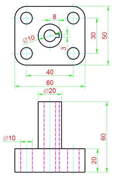
一、請依下列正投影視圖所示(單位:mm) ,以第三角法1:1 比例繪製一等角圖(不須標註尺度,不須有隱藏線,視角選擇以能充分表達物件特徵為要求,非等角圖不予計分)。(25分)
二、請依下列等角圖所示之尺度(單位:mm) ,以第三角法1:1 之比例繪製三視圖(不須標註尺度,須有隱藏線,三視圖須在同一頁面)。 (25分)
三、請依下列等角圖所示之尺度(單位:mm) ,以第三角法1:1 之比例繪製前視圖(含輔助視圖) 、俯視圖(須標註尺度與隱藏線,三個視圖須在同一頁面)。(25分)
四、請依下列正投影三視圖所示之尺度(單位:mm) ,以第三角法1:1 比例繪製該零件之俯視圖、右側視圖,並將前視圖改為剖面圖(須標註尺度, 三視圖須在同一頁面)。 (25分)