阿摩線上測驗
登入
首頁
>
電路學
> 102年 - 102 交通事業公路升資考試_佐級晉員級_技術類(選試電路學概要):電路學概要#25514
102年 - 102 交通事業公路升資考試_佐級晉員級_技術類(選試電路學概要):電路學概要#25514
科目:
電路學 |
年份:
102年 |
選擇題數:
0 |
申論題數:
8
試卷資訊
所屬科目:
電路學
選擇題 (0)
申論題 (8)
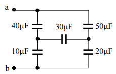
【已刪除】一、在下圖電路中,試求 a 與 b 兩端之等效電容 C
ab
為多少?(20 分)
【已刪除】二、在下圖電路中,試求 V
o
為多少?(20 分)
⑴在 t = 0 s 瞬間電容器之兩端電壓 v(0)與儲能分別為多少?(10 分)
⑵在 t ≥ 0 s,電容器之兩端電壓 v(t)為多少?(10 分)
⑴戴維寧(Thevenin)等效電路:ETh及 RTh。(10 分)
⑵分別求出負載電阻 R 為 10Ω,70Ω,90Ω時,輸出電流 i 及負載電阻 R 之消耗功 率 P 為多少?(10 分)
⑴相電流(phase current)I
AB
, I
BC
, I
CA
為多少?(10 分)
⑵線電流(line current) I
a
, I
b
, I
c
為多少?(10 分)
相關試卷
114年 - 114 地方政府公務特種考試_三等_電力工程、電子工程、電信工程:電路學#134770
114年 · #134770
114年 - 114 專技高考_電機工程技師:電路學#133707
114年 · #133707
114年 - 114 專技高考_電子工程技師:電路學#133700
114年 · #133700
114年 - 114 公務升官等考試_薦任_電力工程、電子工程、電信工程:電路學#133241
114年 · #133241
114年 - 114 高等考試_三級_電力工程、電子工程、電信工程:電路學#128784
114年 · #128784
113年 - 113-2 國營臺灣鐵路股份有限公司_從業人員甄試_第8階-助理工程師-電機:電路學#137142
113年 · #137142
113年 - 113 地方政府公務特種考試_三等_電力工程、電子工程:電路學#124508
113年 · #124508
113年 - 113 專技高考_電機工程技師:電路學#123962
113年 · #123962
113年 - 113 專技高考_電子工程技師:電路學#123933
113年 · #123933
113年 - 113 高等考試_三級_電力工程、電子工程、電信工程:電路學#121512
113年 · #121512