阿摩線上測驗
登入
首頁
>
電路學
> 102年 - 102 交通事業公路升資考試_員級晉高員級_技術類(選試電路學):電路學#25516
102年 - 102 交通事業公路升資考試_員級晉高員級_技術類(選試電路學):電路學#25516
科目:
電路學 |
年份:
102年 |
選擇題數:
0 |
申論題數:
12
試卷資訊
所屬科目:
電路學
選擇題 (0)
申論題 (12)
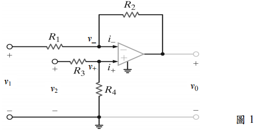
【已刪除】一、如圖 1 所示,設運算放大器為理想,若 R
1
=R
3
=5Ω、R
2
=R
4
=10Ω、v
1
=2 V、v
2
=7 V, 試求 v
0
。(20 分)
⑴ I
1
(5 分)
⑵ I
2
(5 分)
⑶ V
1
(5 分)
⑷ V
2
(5 分)。
⑴試求 Z
L
能得到最大平均功率轉移時之值(10 分);
⑵計算傳送到 負載之最大平均功率值(10 分)
⑴ I
aA
(5 分);
⑵ I
bB
(5 分);
⑶ I
cC
(5 分);
⑷電源提供之總複數功率(5 分)。
【已刪除】五、如圖 5 所示為雙埠網路,試求此雙埠網路之混合參數。(20 分)
相關試卷
114年 - 114 地方政府公務特種考試_三等_電力工程、電子工程、電信工程:電路學#134770
114年 · #134770
114年 - 114 專技高考_電機工程技師:電路學#133707
114年 · #133707
114年 - 114 專技高考_電子工程技師:電路學#133700
114年 · #133700
114年 - 114 公務升官等考試_薦任_電力工程、電子工程、電信工程:電路學#133241
114年 · #133241
114年 - 114 高等考試_三級_電力工程、電子工程、電信工程:電路學#128784
114年 · #128784
113年 - 113-2 國營臺灣鐵路股份有限公司_從業人員甄試_第8階-助理工程師-電機:電路學#137142
113年 · #137142
113年 - 113 地方政府公務特種考試_三等_電力工程、電子工程:電路學#124508
113年 · #124508
113年 - 113 專技高考_電機工程技師:電路學#123962
113年 · #123962
113年 - 113 專技高考_電子工程技師:電路學#123933
113年 · #123933
113年 - 113 高等考試_三級_電力工程、電子工程、電信工程:電路學#121512
113年 · #121512