阿摩線上測驗
登入
首頁
>
統測◆03電機類、04資電類◆(一)基本電學、基本電學實習、電子學、電子學實習
> 102年 - 102 四技二專統測_電機與電子群電機類、電機與電子群資電類_專業科目(一):電子學、基本電學(重複)#17966
102年 - 102 四技二專統測_電機與電子群電機類、電機與電子群資電類_專業科目(一):電子學、基本電學(重複)#17966
科目:
統測◆03電機類、04資電類◆(一)基本電學、基本電學實習、電子學、電子學實習 |
年份:
102年 |
選擇題數:
50 |
申論題數:
0
試卷資訊
所屬科目:
統測◆03電機類、04資電類◆(一)基本電學、基本電學實習、電子學、電子學實習
選擇題 (50)
1. 將 2 庫倫的正電荷從電位 20V 處移至 100V 處,需花費 10 秒的時間,則其平均功率大小 為何? (A) 32W (B) 20W (C) 18W (D) 16W
2.某蓄電池內部電量原蓄有 200 庫倫,以 5 分鐘的時間將其充電至 800 庫倫,則其平均 充電電流大小為何? (A)8A (B)6A (C)4A (D)2A
3.將 100V 電壓加至某電阻線上,通過之電流為 16A,今若將此電阻線均勻拉長,使長度 變為原來的 2 倍,而接至相同的電壓,則通過之電流會變為多少? (A)4A (B)6A (C)8A (D)10A
4.如圖(一)所示,若 R
1
=4R
2
,已知 R
2
消耗功率為 10W、R
1
兩端之電壓降為 40V,則 E 之值為何?
(A)50V (B)60V (C)70V (D)80V
5.如圖(二)所示,電路中之 I 值為何?
(A)8A (B)6A (C)2A (D)0A
6.如圖(三)所示,電路中之 30Ω處所消耗之功率為何?
(A)100W (B)120W (C)140W (D)160W
7.如圖(四)所示,電路中 2Ω處所消耗之功率為何?
(A)8W (B)16W (C)24W (D)32W
8.如圖(五)所示,若要使電阻 R 獲得最大功率,則 R 值應為何?
(A)14Ω (B)10Ω (C)6Ω (D)2Ω
9.如圖(六)所示,電路中流經 3Ω之電流大小為何?
(A)8A (B)6A (C)4A (D)2A
10.如圖(七)所示之串並聯電路,其三個電容規格分別為 30μF/100V、60μF/200V 及 30μF/300V,則電路中 E 可加之最大電壓為何?
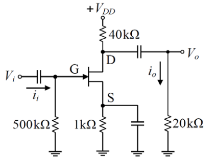
(A)100V (B)150V (C)200V (D)300V
11. 有一 10Ω 電阻串聯一個 100μF 電容後接上 100V 直流電壓,求電路穩態時,電容儲存的 電量與能量分別為何? (A) 0.01C,0.5J (B) 0.01C,1 J (C) 0.1C,0.5J (D) 0.1C,1J
12.有耦合的兩線圈,線圈 1 與線圈 2 之匝數分別是 100 匝及 200 匝,線圈 1 加入 5 安培 電流產生 5 毫韋伯磁通,其中有 4 毫韋伯磁通與線圈 2 交鏈,請問此兩線圈的耦合係數 及線圈 2 的自感量分別為何? (A)0.4,0.8H (B)0.8,0.4H (C)0.6,0.5H (D)0.5,0.6H
13.有一磁路之導磁係數μ=5+10
-3
H/m,磁路的截面積為 0.08m
2
,磁路的長度為 1m, 請問此磁路之磁阻為何? (A)12500 安匝/韋伯 (B)2500 安匝/韋伯 (C)1250 安匝/ 韋伯 (D)250 安匝/韋伯
14.如圖(八)所示,若電感在開關 S 閉合前已無儲能,且開關 S 在時間 t=0 時閉合, 請問在 t=0
+
時電感兩端的電壓及穩態時流過電感的電流大小為何?
(A)0V,2A (B)50V,2A (C)0V,1A (D)50V,1A
15.如圖(九)所示,若開關 S 閉合及開關 S 打開時,則電路的時間常數各為何?
(A)1.6 秒,1.2 秒 (B)3.0 秒,1.2 秒 (C)1.6 秒,2.4 秒 (D)3.0 秒,2.4 秒
16.有一交流電源 v(t)=100sin(377t-45°)伏特,請問其最大值及一個週期的平均值 為何? (A)100V,63.6V (B)141V,63.6V (C)100V,0V (D)141V,0V
17.有一交流電機,其轉速為每秒 30 轉,若欲產生頻率為 60Hz 之電源,請問此電機的極 數為何? (A)4 極 (B)6 極 (C)8 極 (D)12 極
18.有一 RL 串聯交流電路,R=10Ω、L=10mH,電源電壓 v(t)=150sin(1000t+30°) V,請問下列敘述何者正確? (A)電源電流
=7.5∠15°A (B)電阻器兩端電壓 v
R
(t) =75 √2 sin(1000t-15°)V (C)電源電流I 超前電源電壓V 之相位角 45° (D)總阻抗Z =10 √2 ∠-45°Ω
19.有一電阻 R 並聯一電容 C 之交流電路,當加入電源電壓 v(t)=150sin(1000t-10°) V 時,產生的電源電流為 i(t)=15 √2 sin(1000t+35°)A,試求電阻 R 及電容 C 為多 少? (A)R=100Ω,C=100μF (B)R=100Ω,C=10μF (C)R=10Ω,C=100μF (D)R =10Ω,C=10μF
20.如圖(十)所示之 RLC 串並聯交流電路,請問下列敘述何者正確?
(A)總阻抗Z= 10∠36.9°Ω (B)電源電流 I =10∠-36.9°A (C)ab 兩端電壓 V ab=60∠53.1°V (D)流 經電容器的電流I c=20∠36.9°A
21.有一交流電路,當加入電源電壓 v(t)=150sin(377t+35°)V 時,產生的電源電流 為 i(t)=10sin(377t-25°)A,試求該電源在此電路供給之最大瞬間功率 Pmax及最小 瞬間功率 Pmin 為多少? (A)Pmax=2250W,Pmin=-750W (B)Pmax=1500W,Pmin=- 500W (C)Pmax=1125W,Pmin=-375W (D)Pmax=750W,Pmin=-250W
22.有一單相交流電路,電源電壓為 v(t)=200sin(300t+30°)V,負載消耗的平均功 率為 4kW,功率因數為 0.8 滯後,若要將電路的功率因數提高至 1.0,則需並聯多少電容 量的電容器? (A)500μF (B)250μF (C)133μF (D)66.6μF
23.有一 RLC 串聯電路,若電源電壓有效值 V=110V、R=5Ω、L=40mH、C=100μF, 試求電路諧振時,電容器兩端的電壓為多少? (A)440V (B)220V (C)110V (D)55V
24.有一 RLC 並聯電路,若電源電壓有效值 V=110V、R=100Ω、L=40mH、C=1μF, 當電路諧振時,請問下列敘述何者錯誤? (A)諧振角頻率ω0=5000rad/sec,功率因數 PF=1 (B)電源電流 I0=1.1A,平均功率 P0=121W (C)流經電感器的電流 IL0=0.55A, 流經電容器的電流 IC0=0.55A (D)品質因數 Q=5,頻帶寬度 BW=159.2Hz
25.如圖(十一)所示之三相電路,若三相發電機以正相序供電給負載,已知電壓有效值
,請問下列敘述何者錯誤?
26.台電所供應之 110V/60Hz 家庭用電,以下何者最可能是其瞬時電壓表示式(單位: 伏特)? (A)110sin(60t) (B)110sin(60πt) (C)110 √2 sin(60πt) (D)110 √2 sin (120πt)
27.在未外加偏壓下,下列有關 PN 接面二極體空乏區的敘述,請問何者錯誤? (A)所形 成的障壁電位,在空乏區 N 側的電位比 P 側的電位高 (B)達到平衡狀態時,在空乏區 P 側中有電洞、在 N 側中有自由電子 (C)在空乏區中,P 側有負離子、N 側有正離子 (D)P、N 兩側空乏區的寬度,其所摻雜的雜質濃度愈高,則該側空乏區的寬度愈窄
28.如圖(十二)之電路,其中稽納電壓 VZ=6V,且 15mA≦IZ≦90mA 時,稽納二極體 才有穩壓作用。若不考慮稽納電阻,在 RS電阻的範圍,何者可使稽納二極體產生穩壓作 用?
(A)60Ω≦RS≦120Ω (B)60Ω≦RS≦150Ω (C)50Ω≦RS≦120Ω (D)50Ω≦RS≦ 150Ω
29.全波整流濾波後之輸出電壓波形如圖(十三)所示,其漣波因數百分比γ%約為多少? ( √3 =1.73
(A)5.24% (B)5.77% (C)6.42% (D)6.82%
30.如圖(十四)之電路,二極體為理想二極體,則輸入-輸出曲線,下列何者正確?
31.如圖(十五)使用電晶體驅動繼電器的線圈,已知電晶體的β值為 50,而繼電器線圈 的電阻值為 100Ω,控制電壓 Vi如圖所示。若電晶體當電子開關使用時,電阻 RB之最大 值最接近以下何值?(假設飽和時 VBE(sat)=0.7V、VCE(sat)=0.2V)
(A)3.9kΩ (B)4.1kΩ (C)5.0kΩ (D)7.8kΩ
32.有關 NPN 與 PNP 電晶體的特性比較,請問以下敘述何者錯誤? (A)PNP 電晶體主要 是由電洞來傳導、NPN 電晶體主要是由電子來傳導 (B)工作在主動區(工作區)時, 不論是 NPN 或 PNP 電晶體,其基極-射極接面都是順向偏壓 (C)現今使用的電晶體大 多數為 NPN 電晶體 (D)PNP 電晶體的頻率響應較 NPN 電晶體佳,適合在高頻電路使用
33.如圖(十六)的電路,二極體為理想二極體,若輸入電壓 Vi(t)=6sin(200πt)伏 特,當該電路狀態達穩定後,則輸出之一週期電壓波形,下列何者正確?
34.在偏壓電路的直流工作點,工作溫度改變會造成電晶體β值的變化,下列何者最為穩 定不受影響? (A)固定偏壓電路 (B)集極回授偏壓電路 (C)射極回授偏壓電路 (D) 基極分壓偏壓電路
35.圖(十七)所示之電路,屬於下列何種偏壓電路?
(A)固定偏壓電路 (B)集極回授 偏壓電路 (C)射極回授偏壓電路 (D)基極分壓偏壓電路
36.雙極性接面電晶體(BJT)共射極放大器的輸出與輸入信號欲呈現比例放大關係,則 應輸入何種信號? (A)小信號 (B)大信號 (C)直流信號 (D)任意大小信號
37.射極隨耦器,屬於下列何種放大器? (A)共射極放大器 (B)共集極放大器 (C)共基 極放大器 (D)共源極放大器
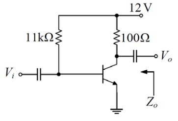
38.如圖(十八)所示電路,已知電晶體的β=60,熱電壓 VT=25mV,則其輸出阻抗 Zo 約為多少?
(A)50Ω (B)100Ω (C)11kΩ (D)11.1kΩ
39.一串級放大電路,已知第一級電壓增益為 20dB,第二級電壓增益為 20 倍,若此串級 放大電路輸入電壓 Vi 為 10μV 時,則輸出電壓 Vo 為多少? (A)200μV (B)400μV (C)2mV (D)4MV
40.將兩個相同的單級低通放大器串接成一個兩級放大器,其頻帶寬度的變化相較於個別 單級低通放大器有何不同? (A)兩級放大器頻帶寬度會不變 (B)兩級放大器頻帶寬度 會增加 (C)兩級放大器頻帶寬度會減小 (D)兩級放大器頻帶寬度會隨工作時間先增加 再減小
41.增強型 MOSFET 的結構因素會造成臨界電壓 VT值的變化,請問以下何者對其影響最 大? (A)金屬導電層厚度 (B)半導體層的厚度 (C)二氧化矽的厚度 (D)金屬導電層 的材質
42.如圖(十九)所示電路,已知 MOSFET 的臨界電壓
,則電壓
為多少?
(A)0V (B)4V (C)8V (D)12V
43.如圖(二十)所示之場效電晶體(JFET)共源極放大電路,若 JFET 之轉移電導 gm =2(mA/V),輸出電阻 rd=40kΩ,則放大電路的電流增益 Ai=(io/ii)為多少?
(A) -200 (B)-250 (C)-400 (D)-500
44.如圖(二十一)所示之場效電晶體(JFET)放大器電路,若 JFET 之輸出電阻
,其中
可忽略,轉移電導
,則放大器電路的電壓增益
與下列何者最接近?
(A)-3 (B)-5 (C)-7 (D)-10
45.一差動放大器,其兩輸入電壓分別為 Vi1=55μV,Vi2=45μV,共模拒斥比 CMRR(dB) =40dB,差模增益為 Ad=500,則下列何者正確? (A)共模增益 Ac=10 (B)差模輸入 電壓 Vd=5μV (C)共模輸入電壓 Vc=100μV (D)輸出電壓 Vo=5.25mV
46.如圖(二十二)所示運算放大器電路,若要設計為非反相加法器使得 Vo=V1+V2+ V3,則電阻 Rf 應為多少歐姆?
(A)5kΩ (B)10kΩ (C)20kΩ (D)30kΩ
47.如圖(二十三)所示之理想運算放大器電路,其中電容 C=0.5μF,假設初始的電容電選擇建功‧14‧尊榮一生 壓為零,電阻 R=200kΩ,若輸入電壓 Vi(t)=1V,當開關 SW 在 t=0 時關上,則在 經過 2 秒後,其輸出電壓 Vo(t)應為多少?
(A)20V (B)15V (C)–15V (D)–20V
48.高頻 LC 振盪器的方塊圖如圖(二十四)所示,請問下列敘述何者正確?
(A)當 X1 與 X2 為電容器,X3 為電感器時,此電路稱為哈特萊(Hartley)振盪器 (B)當 X1 與 X3 為電容器,X2 為電感器時,此電路稱為哈特萊(Hartley)振盪器 (C)當 X1 與 X2 為電容 器,X3 為電感器時,此電路稱為考畢子(Colpitts)振盪器 (D)當 X1 與 X3 為電容器, X2 為電感器時,此電路稱為考畢子(Colpitts)振盪器
49.如圖(二十五)所示之施密特(Schmitt)觸發電路,若已知電源電壓 VCC=13V,輸 出之正飽和電壓+Vsat=12V,負飽和電壓-Vsat=-12V,Vr=3V,則各臨界電壓值,下 列何者正確?
(A)上臨界電壓 VU=4.5V (B)上臨界電壓 VU=12V (C)下臨界電壓 VL =3V (D)下臨界電壓 VL=1/3V
50.如圖(二十六)所示為 555 定時 IC 之多諧振盪器,當按下彈跳開關 SW 後,輸出端 需要經過時間 td 後,才能恢復為原先的穩定狀態,據此下列敘述何者正確?
(A)此電路 為單穩態多諧振盪器 (B)當電路在穩態時,其輸出電壓為 VCC (C)td≒0.55ms (D)td≒ 1.1ms
申論題 (0)
相關試卷
115年 - [無官方正解]115 四技二專統測_電機與電子群電機類 電機與電子群資電類_專業科目(一):基本電學、基本電學實習、 電子學、電子學實習#139187
115年 · #139187
114年 - 114 四技二專統測_電機與電子群電機類 電機與電子群資電類_專業科目(一):基本電學、基本電學實習、 電子學、電子學實習#126877
114年 · #126877
113年 - 113 四技二專統測_電機與電子群電機、電資類_專業科目(一):基本電學、基本電學實習、 電子學、電子學實習#119627
113年 · #119627
112年 - 112 四技二專統測_電機與電子群電機、電資類_專業科目(一):基本電學(實習)、電子學(實習)#114333
112年 · #114333
111年 - 111 四技二專統測_電機與電子群電機、電資類_專業科目(一):電子學(含實習)、基本電學(含實習)#107683
111年 · #107683
110年 - 110 四技二專統測_電機與電子群電機類、電機與電子群電資類_專業科目(一):電子學、基本電學#98522
110年 · #98522
109年 - 109 四技二專統測_電機與電子群電機類、電機與電子群資電類_專業科目(一):電子學、基本電學#85155
109年 · #85155
108年 - 108 四技二專統測_電機與電子群電機類、電機與電子群資電類_專業科目(一):電子學、基本電學#79927
108年 · #79927
107年 - 107 四技二專統測_電機與電子群電機類、電機與電子群資電類_專業科目(一):電子學、基本電學#68917
107年 · #68917
106年 - 106 四技二專統測_電機與電子群電機類、電機與電子群資電類_專業科目(一):電子學、基本電學#61702
106年 · #61702