阿摩線上測驗
登入
首頁
>
電路學
> 102年 - 102 身心障礙特種考試_三等_電力工程、電子工程:電路學#25524
102年 - 102 身心障礙特種考試_三等_電力工程、電子工程:電路學#25524
科目:
電路學 |
年份:
102年 |
選擇題數:
0 |
申論題數:
6
試卷資訊
所屬科目:
電路學
選擇題 (0)
申論題 (6)
【已刪除】一、如圖一電路圖所示,求流經電流計 G 的電流。(15 分)
【已刪除】二、如圖二電路圖所示,求 v
o
與 i
o
。(15 分)
【已刪除】三、如圖三電路圖所示,求 t>0 的 i(t)。(20 分)
四、有二個負載並聯,一起並聯接到 120 V,60 Hz 的電源。此二個負載分別為 24000 瓦, 功率因數 0.80(滯後);與 40000 瓦,功率因數 0.90(滯後)。欲將此系統的功率 因數提高為 1.0 時,需要額外並聯多大的電容。(15 分)
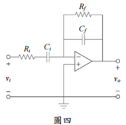
【已刪除】五、如圖四電路圖所示,求轉移函數 H(s)=v
o
(s)/v
i
(s),並決定是那一種類的濾波器。 (15 分)
【已刪除】六、如圖五電路圖所示,求相位電流 I
O
。(20 分)
相關試卷
114年 - 114 地方政府公務特種考試_三等_電力工程、電子工程、電信工程:電路學#134770
114年 · #134770
114年 - 114 專技高考_電機工程技師:電路學#133707
114年 · #133707
114年 - 114 專技高考_電子工程技師:電路學#133700
114年 · #133700
114年 - 114 公務升官等考試_薦任_電力工程、電子工程、電信工程:電路學#133241
114年 · #133241
114年 - 114 高等考試_三級_電力工程、電子工程、電信工程:電路學#128784
114年 · #128784
113年 - 113-2 國營臺灣鐵路股份有限公司_從業人員甄試_第8階-助理工程師-電機:電路學#137142
113年 · #137142
113年 - 113 地方政府公務特種考試_三等_電力工程、電子工程:電路學#124508
113年 · #124508
113年 - 113 專技高考_電機工程技師:電路學#123962
113年 · #123962
113年 - 113 專技高考_電子工程技師:電路學#123933
113年 · #123933
113年 - 113 高等考試_三級_電力工程、電子工程、電信工程:電路學#121512
113年 · #121512