阿摩線上測驗
登入
首頁
>
自動控制學
> 103年 - 103年關務特考三等自動控制#43473
103年 - 103年關務特考三等自動控制#43473
科目:
自動控制學 |
年份:
103年 |
選擇題數:
0 |
申論題數:
5
試卷資訊
所屬科目:
自動控制學
選擇題 (0)
申論題 (5)
一、比較開迴路控制(open-loop control)和閉迴路控制(closed-loop control),繪出這 兩種控制方法的控制方塊圖,並且列舉閉迴路控制最主要的兩個優點。(20 分)
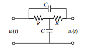
【已刪除】二、如圖所示之電路,ur 為輸入,u
c
為輸出。試推導出此電路的傳遞函數(transfer function)。 (20 分)
【已刪除】三、對於下圖所示之控制系統,試求輸入 r(t) = 3 × 1(t)時,所造成的系統輸出 c(t),其中 1(t)代表單位步階函數(unit step function)。(20 分)
四、頻寬(bandwidth)是控制系統重要的性能指標之一,試繪圖並且以文字說明頻寬的 定義。(20 分)
【已刪除】五、對於下列圖(a)的系統,某工程師考慮採取圖(b)或圖(c)的做法,已知 K = 0.216,試 問(b)和(c)兩者分別屬於何種方法?並請分別推導出(b)和(c)的閉迴路(closed-loop) 傳遞函數,以及根據控制理論,評估比較三者的性能。(20 分)
相關試卷
115年 - 115 關務特種考試_三等_機械工程(選試英文):自動控制#138983
115年 · #138983
114年 - 114 高等考試_二級_機械工程:自動控制學#131590
114年 · #131590
114年 - 114 關務特種考試_三等_機械工程(選試英文):自動控制#126653
114年 · #126653
113年 - 113-2 國營臺灣鐵路股份有限公司_從業人員甄試_第8階-助理工程師-電機:自動控制#137141
113年 · #137141
113年 - 113 高等考試_二級_機械工程:自動控制學#123065
113年 · #123065
113年 - 113 關務特種考試_三等_機械工程(選試英文):自動控制#119475
113年 · #119475
112年 - 112 地方政府特種考試_三等_機械工程:自動控制#118354
112年 · #118354
112年 - 112 高等考試_二級_機械工程:自動控制學#116760
112年 · #116760
112年 - 112 高等考試_三級_機械工程:自動控制#115741
112年 · #115741
112年 - 112 關務特種考試_三等_機械工程:自動控制#113920
112年 · #113920