阿摩線上測驗
登入
首頁
>
圖學
> 103年 - 103 普通考試_技藝:圖學概要#43445
103年 - 103 普通考試_技藝:圖學概要#43445
科目:
圖學 |
年份:
103年 |
選擇題數:
0 |
申論題數:
4
試卷資訊
所屬科目:
圖學
選擇題 (0)
申論題 (4)
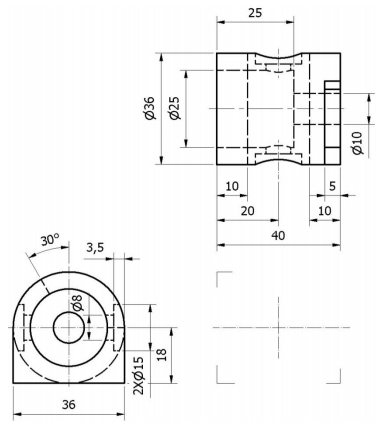
【已刪除】一、請依下列兩個視圖所示尺度,以 1:1 比例繪製於試卷上,並補繪前視圖及標註完整 尺度。(25 分)
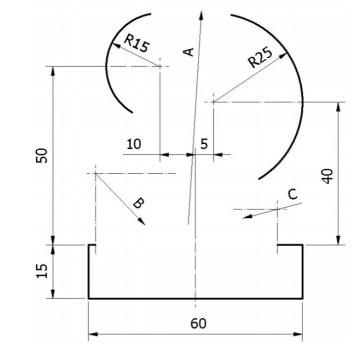
【已刪除】二、請依下圖所示之尺度,以 1:1 比例繪製於試卷上,並標註尺度;A 為半徑 R60 外 切於 R15 與 R25 兩圓弧,B 為半徑 R20 內切於 R15 與高度 15 之水平線相切,C 為 半徑 R10 內切於 R25 並與高度 15 之水平線相切。(25 分)
【已刪除】三、請依下列立體圖所示之尺度,以 1:1 比例繪製正投影視圖,視圖包含前視圖、俯 視圖及右側視圖(不必標註尺度)。(25 分)
【已刪除】四、請依下列正投影視圖所示視圖方向,以 1:1 比例繪製兩個等角圖,不必標註尺度 (非等角圖不計分),一個以實線顯示前視圖正面的等角圖,一個以實線顯示 A、 B 兩平面後視的等角圖。(25 分)
相關試卷
114年 - 114 公務升官等考試_薦任_技藝:圖學#133192
114年 · #133192
114年 - 114 普通考試_技藝:圖學概要#128725
114年 · #128725
113年 - 113 普通考試_技藝:圖學概要#121137
113年 · #121137
112年 - 112 普通考試_技藝:圖學概要#115317
112年 · #115317
111年 - 111 普通考試_技藝:圖學概要#109301
111年 · #109301
110年 - 110 公務升官等考試_薦任_技藝:圖學#103451
110年 · #103451
110年 - 110 高等考試_三級_技藝(選試陶瓷):圖學#102384
110年 · #102384
109年 - 109 普通考試_技藝:圖學概要#88706
109年 · #88706
108年 - 108 專技高考_測量技師:製圖學#80636
108年 · #80636
108年 - 108 公務升官等考試_薦任_技藝:圖學#80332
108年 · #80332