阿摩線上測驗
登入
首頁
>
圖學
> 103年 - 103 高等考試_三級_技藝(選試陶瓷)、技藝(選試木竹器)、技藝(選試金屬)、技藝(選試染織):圖學#43097
103年 - 103 高等考試_三級_技藝(選試陶瓷)、技藝(選試木竹器)、技藝(選試金屬)、技藝(選試染織):圖學#43097
科目:
圖學 |
年份:
103年 |
選擇題數:
0 |
申論題數:
4
試卷資訊
所屬科目:
圖學
選擇題 (0)
申論題 (4)
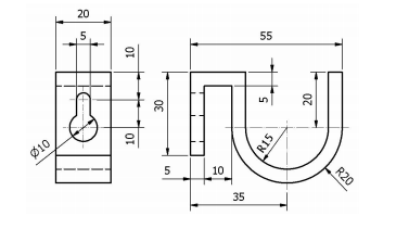
【已刪除】一、請依圖 1 資料盒底座立體圖所示之尺度及前視圖之視角,以比例 1:1 繪製全剖面 之前視圖及俯視圖(俯視圖省略虛線),並標註完整尺度。(25 分)
【已刪除】二、請依圖 1 資料盒底座與圖 2 資料盒掀蓋,以兩端直徑 ø5 扣接組合,另依立體圖所 示之尺度及前視圖的視角,以比例 1:1 繪製正投影組合視圖;組合視圖只要繪製 前視圖之全剖面視圖,並繪製虛線、標註圖號及最大尺度。(25 分)
【已刪除】三、請依下圖所示之尺度以 1:1 比例完成於試卷上,並標註尺度;A 為半徑 R20 相切 於 R4 圓弧與 R6 圓弧,B 為半徑 R8 相切於圓弧 R27 與斜線,C 為半徑 R12 相切於 圓弧 R27 與斜線。(25 分)
【已刪除】四、請依下列正投影前視圖與左側視圖所示之方向,繪出等角圖,不必標註尺度(非等 角圖不計分),等角圖尺度誤差值超過正負 2 mm 處不計分。(25 分)
相關試卷
114年 - 114 公務升官等考試_薦任_技藝:圖學#133192
114年 · #133192
114年 - 114 普通考試_技藝:圖學概要#128725
114年 · #128725
113年 - 113 普通考試_技藝:圖學概要#121137
113年 · #121137
112年 - 112 普通考試_技藝:圖學概要#115317
112年 · #115317
111年 - 111 普通考試_技藝:圖學概要#109301
111年 · #109301
110年 - 110 公務升官等考試_薦任_技藝:圖學#103451
110年 · #103451
110年 - 110 高等考試_三級_技藝(選試陶瓷):圖學#102384
110年 · #102384
109年 - 109 普通考試_技藝:圖學概要#88706
109年 · #88706
108年 - 108 專技高考_測量技師:製圖學#80636
108年 · #80636
108年 - 108 公務升官等考試_薦任_技藝:圖學#80332
108年 · #80332