所屬科目:台水評價◆基本電學
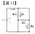
13.如【圖 13】所示之電路,流經 3 歐姆電阻電流 I 的大小為多少? (A) 1.5A (B) 2A (C) 3A (D) 6A
15.如【圖 15】所示為直流電壓表電路,表頭滿刻度電流 Ifs = 100μA,內阻 Ra = 4kΩ,現欲擴展至滿刻 度為 10V 之電壓表,則 R1 值應為多少?此電壓表的電壓靈敏度 SV為多少? (A) R1=86kΩ,SV =10kΩ/V (B) R1=96kΩ,SV =10kΩ/V (C) R1=98kΩ,SV =20kΩ/V (D) R1=104kΩ,SV =20kΩ/V
16.如【圖 16】所示電路,則 I1+I2 等於多少? (A)17 mA (B) 22 mA (C) 30 mA (D) 41 mA
17.如【圖 17】所示電路,試求 3Ω 的端電壓為多少? (A) 12V (B) 9V (C) 6V (D) 3V
20.如【圖 20】所示電路,求此電路中電流源端電壓 V 為多少?(A) 0V (B) 4V (C) 12V (D) 15V
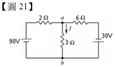
21.如【圖 21】所示電路,α點電位比 b 點電位成何種關係:(A) α比 b 低 50V (B) α比 b 高 50V (C) α比 b 低 40V (D) α比 b 高 40V
22.如【圖 22】所示電路,欲使負載 RL 得到最大功率,則 RL 之最大功率為多少?(A) 12.5W (B) 25W (C) 50W (D) 100W
25.如【圖 25】所示電路,若 L1 = 2H,L2 = 6H,兩線圈的互感 M = 1H,求並聯總電感為多少? (A) 1.1H (B) 1.5H (C) 1.95H (D) 2.1H
28.如【圖 28】所示,電路中 R 之值為:(A) 5Ω (B) 10Ω (C) 15Ω (D) 20Ω
29.如【圖 29】所示電路,當 S 閉合後,電路達到穩態,VL≒0,需要多少時間? (A) 0.1ms (B) 0.2ms (C) 0.5ms (D) 1ms
30.如【圖 30】所示電路,圖中 S 已閉合一段很長時間後,在 t=0 時開路,則電感兩端在此時的感應電 勢為多少? (A) 3.2V (B) 6V (C) 9.6V (D) 16V
32.有一正弦波交流電源,電壓有效值為 110 伏特,則其峰對峰值為多少? (A) 141V (B) 155V (C) 311V (D) 282V
33.如【圖 33】所示,電壓之平均值為: (A) 10 (B) (C) (D)
【圖 33】
34.有一 60Hz 交流正弦波,在經過秒瞬間,此時的電工角為多少? (A) 30° (B) 60° (C) 90° (D) 180°
38.有一交流電路的電壓為 =100V ,總阻抗 = 30 - j40 Ω,則電路的總電壓與總電流的相位關係為: (A) V 超前 I 36.9° (B) V 超前 I 53.1° (C) V 落後 I 36.9° (D) V 落後 I 53.1°
39.在交流 R-L-C 串聯電路,若已知 =120∠45° ,R=30 Ω,XL=20 Ω,XC=50 Ω ,則下列何者錯誤? (A) (B) (C) (D)
42.有一單相交流負載的阻抗為 6+j8 Ω ,其電壓sin400t V ,則此負載所消耗的實功率為多 少? (A) 100W (B) 600W (C) 800W (D) 1000W
43.有一交流電路 ,此電路的功率因數為多少?
(A) 0.707 超前 (B) 0.5 超前 (C) 0.707 落後 (D) 0.5 落後
45.有一 R-L-C 串聯電路,R=100 Ω ,L=20mH,若該電路欲對電源電壓發生 諧振,則 C 的值應為多少? (A) 5μF (B) 25μF (C) 50μF (D) 500μF
49.如【圖 49】,當 RL等於 12 歐姆時,IL之值為多少? (A) -2A (B) 2A (C) -4A (D) 4A
【圖 49】
50.假設電路之電壓、電流分別為 ,則 VI 的乘積為: (A)視在功率(伏安) (B)平均功率(瓦特) (C)虛功率(乏) (D)瞬時功率(瓦特)