所屬科目:台水評價◆基本電學
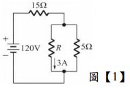
3. 如圖【1】所示電路,請問圖中R的電阻大小為何? (A) 3.75Ω (B) 6.25Ω (C) 9Ω (D) 12.5Ω
6. 若 v(t)=,請問 v(t)的頻率與有效值分別為何? (A) 50Hz,100V (B) 25Hz,110V (C) 60Hz,110V (D) 25Hz,100V
8. 三相平衡之△連接電路,若相電流為20A,請問其線電流應為何? (A) (B) 20A (C)(D) 60A
11. 有一色碼電阻其電阻值為300±5%Ω ,則以下色碼順序何者為正確? (A)橙黑棕金 (B)橙黑黑金 (C)橙黑黑銀 (D)橙棕黑銀
17. 如圖【2】所示電路,請問分別為多少安培?(A) 2、3 (B) 3、4 (C) 4、5 (D) 5、6
18. 如圖【3】所示之電路,請問a、b 兩端的戴維寧等效電壓及等效電阻各為何? (A) 20V、4Ω (B) 30V、6Ω (C) 40V、8Ω (D) 60V、10Ω
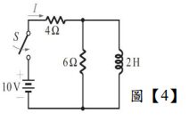
19. 如圖【4】所示之電路,在開關閉合瞬間,請問電流 I 為多少安培? (A) 0A (B) 1A (C) 2A (D) 3A
22. 有一線圈電感量為20mH,接於 v(t) = 10sin(100t – 10°)V 之電源,則此線圈之電感抗約為多少? (A) 1Ω (B) 2Ω (C) 3Ω (D) 4Ω
23. 某 RLC並聯電路,當電源頻率為800Hz時,R = 1200Ω,= 150Ω,則該電路之頻帶寬度 BW 為? (A) 80Hz (B) 100Hz (C) 120Hz (D) 150Hz
24. 平衡三相Y接負載,測得其線電壓為200V,相電流10A,每相之功率因數為0.8,則此三相負載之總功率為何? (A) (B) 1600W (C) 4800W (D)
27. 如圖【5】所示電路,電路之總阻抗及消耗功率分別為多少? (A)3Ω,800W (B)5Ω,1200W (C)7Ω,1600W (D)110Ω,
28. 電壓v(t) =sin120t伏特之有效值為多少? (A)90V (B)100V (C)110V (D)120V
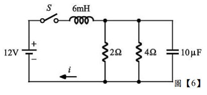
29. 如圖【6】所示電路,開關S閉合後,到達穩態時,電流i為多少? (A)3A (B)6A (C)8A (D)9A
34. 如圖【7】所示電路,R-C串聯電路,當電路達到穩定時,電容兩端的電壓值為多少? (A)2V (B)7V (C)8V (D)10V
41. 如圖【8】所示之 RLC串聯電路,若已知,請問下列何者正確? (A)=50∠–90°V (B)=50∠90°V (C)=10∠–37° Ω (D)=∠–53° Ω
43. 如圖【9】所示之電路,請問下列何者正確? (A)= 7V (B)= -10V (C)= 17V (D)= 3V