所屬科目:台水評價◆基本電學
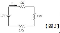
3.如【圖 3】所示電路,請問 I=? (A) 0.1A (B) 0.2A (C) 0.5A (D) 1A
4.如【圖 4】所示電路,開關 S 已經在 1 的位置一段時間,電路已達穩定。若將開關切到 2 的位置,請問圖中 I 的瞬間電流大小為何? (A) 1A (B) -1A (C) 2A (D) -2A
5.如【圖 5】所示電路,開關 S 已經閉合一段時間,電路已達穩定。若在 t=0 秒時將開關打開,此時線路電流 I=? (A) -2mA (B) 0A (C) 2mA (D) 2.5mA
6.如【圖 6】所示,若=0.6 ,請問此波形之電壓平均值為多少? (A) 9V (B) 8V (C) 7V (D) 6V
7.有一交流電壓為秒之瞬間電壓值為多少伏特? (A) (B) 110V (C) (D) 55V
8.如【圖 8】所示電路, v(t) =100sin(1000t)V ,R=10Ω,L=10mH,請問電感抗 XL為多少歐姆? (A) 10Ω (B) 6.28Ω (C) 5Ω (D) 3.14Ω
11.如【圖 11】所示電路, ,請問該電路之諧振頻率為多少 Hz? (A) 100Hz (B) 60Hz (C) 50Hz (D) 30Hz
13.如【圖 13】所示電路,請問 I=? (A) 7A (B) 6A (C) 4A (D) 2A
14.如【圖 14】所示電路,請問電路總電壓 E=? (A) 60V (B) 50V (C) 40V (D) 30V
15.如【圖 15】所示電路,若 L1=4H、L2=16H、耦合係數 K=0.5,請問總電感量 =? (A) 12H (B) 14H (C) 16H (D) 20H
16.如【圖 16】所示電路,請問阻抗 =? (A) 5- j3Ω (B) 6 - j5Ω (C) 6 + j7 Ω (D) 4 + j6Ω
17.如【圖 17】所示電路,請問 I=? (A) 4A (B) 3A (C) 2A (D) 1A
18.如【圖 18】所示電路,請問 I=? (A) 4A (B) 2A (C) 1A (D) 0A
21.如【圖 21】所示,求流過 40 歐姆的電流 I 為多少安培? (A) 4 A (B) 2.7 A (C) 2 A (D) 1.6 A
22.如【圖 22】所示,求 ab 兩端的電壓為多少伏特? (A) 8 V (B) 12 V (C) 18 V (D) 24 V
23.如【圖 23】所示,求 ab 兩端的等效電容值為多少法拉? (A) 3 μF (B) 6 μF (C) 9 μF (D) 18 μF
24.如【圖 24】所示為三個帶電量相同的電荷置於正三角形的頂點,求正三角形的重心 P 點的電荷受力為多少牛頓? (A) 0 牛頓 (B) 1/3 牛頓 (C) 1/2 牛頓 (D) 2/3 牛頓
26.如【圖 26】所示電路的電源 E=30 V,R1 =10 Ω,R2 =30 Ω,R3 =20 Ω,C =0.1 μF,L =100 mH,若開關閉合很 久後,求線路上的電流為多少安培? (A) 3 A (B) 1 A (C) 0.75 A (D) 0.5 A
27.某交流電源電路,若跨於某元件上之瞬時電壓為v (t)= 500sin(ωt+ 60° )V,而流過此元件之瞬時電流為i (t)= 20sin (ωt+ 60° )A,則此元件性質必為下列何者? (A)電容性 (B)電感性 (C)電阻性 (D)無法判斷
29.如【圖 29】所示,求 VA的端電壓為多少伏特? (A) -5 V (B) 5 V (C) 10 V (D) 15 V
30.如【圖 30】所示,DCA1的滿刻度電流為 10 安培,其內電阻為 10Ω;DCA2的滿刻度電流為 12 安培,其內電 阻為 6Ω,則最大可測量的直流電流為多少安培? (A) 22 A (B) 19.2 A (C) 6.25 A (D) 4.5 A
32.某 RL 串聯交流電路,已知電阻值為 10 歐姆,電感值為 26.53mH,若電源電壓為 v(t)=200sin(377t)伏特時,求 線路電流為多少安培? (A) 14.1∠45°A (B) 10∠45°A (C) 14.1∠-45°A (D) 10∠-45°A
33.某工廠電源電壓為v(t)= 311.1sin (377t+ 37° ) ,測得總負載消耗功率為 2000 kW,功率因數為 0.6 滯後,欲將功率提高至 0.8 滯後,必須並聯多少電容量的電容器? (A) 64 mF (B) 14.1 mF (C) 500μF (D) 250μF
34.在 RL 交流電路中,若將 5 歐姆的電阻器與 12 歐姆的電感器並聯時,其功率因數為多少?(A) 0.6 (B) 0.707 (C) 0.8 (D) 0.92
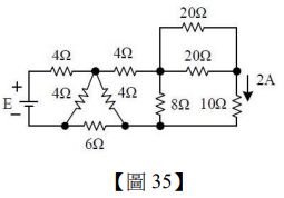
35.如【圖 35】所示電路,求電源 E 供應電壓為多少伏特? (A) 650 V (B) 520 V (C) 390 V (D) 260 V
37.如【圖 37】所示電路,請問下列何者正確? (A)(B) VA = -17V (C)(D)
39.有關平衡三相電壓的敘述,下列何者正確? (A)三相電壓的相位角互差 120° (B)三相電壓的瞬間值總和可以不為零 (C)三相電壓的大小均相同 (D)三相電壓的波形可以不相同
40.如【圖 40】所示電路,請求 A、B 兩點間的戴維寧等效電阻與戴維寧等效電壓為多少? (A) = 10Ω (B) = 5Ω (C) = 20V (D) = 10V
41.如【圖 41】所示電路,請問下列何者正確? (A) I1 = 10A (B) I2 = 3A (C) R=12Ω (D) V1 = 0V
42.如【圖 42】所示,線圈匝數 100 匝、截面積 0.2m2、磁路長度 10m、導磁係數 H/m,若通以 1A 電流, 請問下列何者正確? (A)磁化力為 10 安匝/公尺 (B)磁阻為 105安匝/韋伯 (C)自感量為 10 亨利 (D)磁動勢為 100 伏特
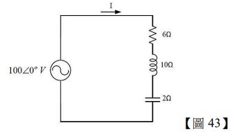
43.如【圖 43】所示電路,請問下列何者正確? (A) = 6+ j8Ω (B) P.F. = 0.6 滯後 (C) P=800W (D) S=1000VA
49.某交流電路的電源為v (t)= 100 (1000t= 30° )V,測得電源電流為 i(t)= 10sin (1000t+ 67° )A,請選出 正確的選項? (A)最大瞬間(時)功率為 800 W (B)功率因數為 0.8 (C)平均功率為 400 W (D)視在功率為 500 VA
50.如【圖 50】所示電路,若 VS(t) 141.4sin (1000t )V,下列敘述何者正確? (A)電感抗 XL=3 Ω (B)電源為=200∠0° V (C)總電流=17-j11A (D)電容抗 XC=50 Ω