阿摩線上測驗
登入
首頁
>
圖學
> 104年 - 104 高等考試_三級_技藝(選試木竹器)、技藝(選試染織):圖學#42593
104年 - 104 高等考試_三級_技藝(選試木竹器)、技藝(選試染織):圖學#42593
科目:
圖學 |
年份:
104年 |
選擇題數:
0 |
申論題數:
14
試卷資訊
所屬科目:
圖學
選擇題 (0)
申論題 (14)
A:代表何種線條
B:代表何種線條
C:代表何種線條
D:代表何種線條
E:此虛線代表何意義
F:此鏈線代表何意義
G:此鏈線代表何意義
H:此鏈線代表何意義
I:此圓形斜線區域代表何意義
J:此鏈線代表何意義
【已刪除】二、請根據圖⑵之立體圖(前視圖下方兩側為左右對稱之加工凹槽),以比例 1:1 繪 製其三視圖,不需標註尺度。(15 分)
【已刪除】三、請根據圖⑶之立體圖(正中央
φ
20 之圓形代表貫穿之孔洞),以比例 1:1 繪製其 三視圖,不需標註尺度。(15 分)
【已刪除】四、請根據圖⑷之三視圖以比例 1:1 繪出其立體等角圖,並標註尺度。(30 分)
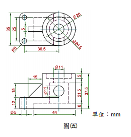
【已刪除】五、請以比例 2:1 繪製圖⑸前視圖之剖視圖,並標註尺度。(20 分)
相關試卷
114年 - 114 公務升官等考試_薦任_技藝:圖學#133192
114年 · #133192
114年 - 114 普通考試_技藝:圖學概要#128725
114年 · #128725
113年 - 113 普通考試_技藝:圖學概要#121137
113年 · #121137
112年 - 112 普通考試_技藝:圖學概要#115317
112年 · #115317
111年 - 111 普通考試_技藝:圖學概要#109301
111年 · #109301
110年 - 110 公務升官等考試_薦任_技藝:圖學#103451
110年 · #103451
110年 - 110 高等考試_三級_技藝(選試陶瓷):圖學#102384
110年 · #102384
109年 - 109 普通考試_技藝:圖學概要#88706
109年 · #88706
108年 - 108 專技高考_測量技師:製圖學#80636
108年 · #80636
108年 - 108 公務升官等考試_薦任_技藝:圖學#80332
108年 · #80332