阿摩線上測驗
登入
首頁
>
鐵路◆機械原理大意(概要)
> 105年 - 105年鐵路人員佐級機械原理大意#52713
105年 - 105年鐵路人員佐級機械原理大意#52713
科目:
鐵路◆機械原理大意(概要) |
年份:
105年 |
選擇題數:
40 |
申論題數:
0
試卷資訊
所屬科目:
鐵路◆機械原理大意(概要)
選擇題 (40)
1 下列那一種滑車不是為省力而設計? (A)定滑車 (B)動滑車 (C)西班牙滑車(Spanish burtons) (D)雙槽滑車(Double through pulley)
2 各種動力螺紋中,何者具有較高的傳動精度與效率? (A)V 型螺紋 (B)鋸齒形螺紋 (C)梯形螺紋 (D)滾珠螺紋
3 如圖所示之滑輪組,欲吊起 180 kg 之物重 W 時,則施力 F 最少需施加多少的力量? (A) 20 kg (B) 30 kg (C) 40 kg (D) 50 kg
4 下列何種軸承最適合使用在同時具有較大軸向與徑向負荷處? (A)單列徑向滾珠軸承 (B)雙列徑向滾珠軸承 (C)單列滾子軸承 (D)錐形滾子軸承
5 如圖所示,曲柄往復滑塊機構,滑塊之衝程為 50 cm,BC 桿之長度為 70 cm,求曲柄 AB 桿之長度為多少 cm?
(A) 20 cm (B) 25 cm (C) 35 cm (D) 40 cm
6 有一動力鏈條之緊邊張力為 12 kN,平均速度為 15 m/min,求此鏈條所傳遞之功率為多少仟瓦(kW)? (A) 3 (B) 180 (C) 300 (D) 3000
7 一螺旋千斤頂(Screw Jack),若其手柄作用力臂為 25 cm,且當手柄旋轉 10 圈後可將重物提升 8 cm, 在不考慮摩擦損失之情形下,其機械利益約為: (A) 80 (B) 250 (C) 312 (D) 196
8 在皮帶輪直徑與兩輪中心距均相等之狀況下,下列關於開口皮帶與交叉皮帶之比較何者正確? (A)開口皮帶之長度較交叉皮帶長 (B)開口皮帶之接觸角較交叉皮帶小 (C)開口皮帶所傳動之兩輪旋向相反 (D)開口皮帶可傳遞之動力較交叉皮帶大
9 一個五連桿機構總共有多少個瞬時中心?(A) 8 (B) 10 (C) 12 (D) 15
10 雙線蝸桿與一 40 齒之蝸輪相嚙合,蝸桿節圓直徑為 10 cm,蝸輪節圓直徑為 80 cm,若蝸輪的轉速為 8 rpm,則蝸桿的轉速為多少 rpm? (A) 160 (B) 64 (C) 1 (D) 0.4
11 雙線螺紋其節距 P 與導程 L 間之關係,下列何者正確? (A) P=0.5L (B) P=L (C) P=1.5L (D) P=2L
12 已知一公制標準正齒輪之節圓直徑為 60 mm,壓力角 20 度,齒數 20 齒,則其周節為多少 mm? (A) 3 (B) π (C) 2π (D) 3π
13 欲使用螺旋起重機舉起 2,041 kg 重之物體,設起重機手柄半徑為 25 cm,螺旋為雙線螺紋,節距為 10 mm, 若不計摩擦損失,則舉起該物體需施加多少力量(kg)? (A) 260 (B) 130 (C) 52 (D) 26
14 一共軛嚙合之漸開線正齒輪對,除了壓力角相等外尚需滿足下列何種條件? (A)周節相等 (B)節徑相等 (C)基圓相切 (D)齒根圓角相等
15 腳踏車踏板在正轉時能帶動後輪,反轉時則否,其主要原因乃是後輪轂內具有下列何種機構? (A)凸輪 (B)日內瓦輪 (C)蘇格蘭軛 (D)棘輪
16 一般常見腳踏車所用的鏈條是: (A)無聲鏈(Silent Chain) (B)塊狀鏈(Block Chain) (C)套環鏈(Coil Chain) (D)滾子鏈(Roller Chain)
17 麵包夾在使用時,其施力點位於支點與抗力點中間,下列有關麵包夾之敘述何者正確? (A)屬於第一類槓桿 (B)屬於第二類槓桿 (C)機械利益小於 1 (D)機械效率大於 1
18 下列關於四連桿機構之敘述,何者正確? (A)四連桿機構之自由度為 2 (B)四連桿機構總共有 4 個瞬時中心 (C)四連桿機構中可繞固定軸作 360 度旋轉之桿件稱為曲柄 (D)牽桿機構即為四連桿機構中之曲柄搖桿
19 兩漸開線正齒輪相互嚙合,其作用線(Line of Action)為下列何種形式? (A)漸開線 (B)直線 (C)圓弧 (D)擺線
20 如圖所示之起重機輪系,手柄半徑 R=160 mm,捲筒直徑 D=160 mm,不計摩擦損失,若欲吊起 W=1,280 kg 之重物,則手柄之切線施力 F 應為多少 kg?
(A) 20 (B) 30 (C) 40 (D) 50
21 若螺栓規格為 M20× 2 × 40 ,對於此螺栓規格,下列敘述何者正確? (A)節徑 20 mm (B)節距 2 mm (C)寬度 40 mm (D)屬於英制螺紋
22 下列何種裝置之主要功能為利用摩擦力、流體黏滯力或是電磁阻尼力以吸收運動機件之能量並轉換為熱 能而消散? (A)離合器 (B)制動器 (C)軸承 (D)軸封
23 一對五級相等塔輪(Equal Stepped Pulleys)在其主動輪轉速固定之情形下,若從動輪最高轉速為 900 rpm 且最低轉速為 100 rpm,則主動輪之轉速為何? (A) 600 rpm (B) 300 rpm (C) 150 rpm (D) 100 rpm
24 下列關於凸輪之敘述,何者正確? (A)一般凸輪之壓力角以大於 30 度為原則 (B)凸輪之壓力角越小,對從動件所產生之側推力越大 (C)確動凸輪乃是藉由彈簧保持從動件與凸輪之持續接觸 (D)對相同之升角與升程而言,基圓越大則其壓力角越小
重新載圖
重新載圖
25 使用如圖所示之滑車組因有摩擦之影響,拉起 W=200 N 之重物時,至少須施力 F=100 N,關於此滑車組 之敘述,何者正確? (A)機械利益=2;機械效率=50% (B)機械利益=2;機械效率=66.7% (C)機械利益=3;機械效率=50% (D)機械利益=3;機械效率=66.7%
26 一組外接圓柱摩擦輪中心距為 24 cm,若不打滑情形下,主動輪之轉速為從動輪之 3 倍,則主動輪之直徑 為何? (A) 12 cm (B) 10 cm (C) 18 cm (D) 36 cm
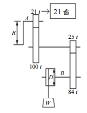
27 如圖所示之齒輪系,A 為 60 齒、B 為 12 齒、C 為 48 齒、D 為 17 齒、E 為 24 齒,若 A 為主動輪且 E 為 從動輪,下列敘述何者正確? (A)齒輪 A 與齒輪 E 旋轉方向相同 (B)輪系值為 -10 (C)齒輪 A 旋轉 1 圈時,齒輪 E 旋轉 2.5 圈 (D)若改變齒輪 D 之齒數將會影響齒輪系之輪系值
28 下列對於機械元件的敘述,何者錯誤? (A)齒輪傳動中,常用鍵做為齒輪與軸的連接 (B)半圓鍵於裝配時具有自動調心的作用 (C)鞍形鍵可應用於較大動力之傳送 (D)使用彈簧墊圈可以防止螺帽鬆動
29 萬向接頭(Universal Joint)常成對使用的主要原因為: (A)抵銷軸向推力 (B)使兩軸之角速度相同 (C)增強輸出扭力 (D)吸收震動與衝擊
30 當一直徑 50 cm 之皮帶輪以 24 rpm 旋轉時,在不打滑情形下,其所帶動皮帶之線速度約為多少 cm/s ? (A) 46.4 (B) 62.8 (C) 92.8 (D) 125.6
31 如圖所示之曲柄搖桿機構,下列敘述何者錯誤? (A) AB+AD+DC>BC (B) AB+BC+DC>AD (C) AB+BC-DC<AD (D) AD-AB+DC<BC
32 日內瓦輪機構一般用來產生下列何種運動? (A)簡諧運動 (B)間歇運動 (C)急回運動 (D)直線運動
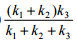
33 兩個彈簧(彈簧常數為 k
1
和 k
2
)並聯之後再與第三根彈簧(彈簧常數為 k3)串聯,總彈簧常數為何? (A) (k
1
+ k
2
)k
3
(B)
(C)
(D)
34 如圖所示之傳動機構,齒輪 A 為 100 齒,齒輪 B 為 50 齒,皮帶輪 C 直徑 300 mm,皮帶輪 D 直徑 100 mm, 若 A 輪以 60 rpm 順時針迴轉,則 D 輪之轉速與轉向為何? (A) 360 rpm 順時針旋轉 (B) 360 rpm 逆時針旋轉 (C) 10 rpm 順時針旋轉 (D) 10 rpm 逆時針旋轉
35 一行星齒輪系,其中太陽齒輪 A、行星齒輪 B 以及環齒輪 C 之齒數分別為 20、40 及 100 齒,在環齒輪 C 固定之情形下,若太陽齒輪 A 以 60 rpm 旋轉,此時行星臂 D 之轉速為何?
(A) 10 rpm (B) 20 rpm (C) 30 rpm (D) 40 rpm
36 一直徑 200 mm 之鋼圓軸,以帶輪使之旋轉,設機構無損失,圓軸之轉速為 600 rpm,所傳遞之功率為 31.4 kW,若以10×10×50 mm 之方鍵連結,則該鍵所承受之壓應力為多少? (A) 10 MPa (B) 20 MPa (C) 10 kPa (D) 20 kPa
37 一組惠斯登差動滑車(Weston Differential Pulley Block),已知在繩索與滑輪重量不計且無摩擦損失之情 形下,其機械利益為 10,若該滑車定滑輪中之大輪直徑為 300 mm,定滑輪中之小輪直徑為何? (A) 160 mm (B) 200 mm (C) 240 mm (D) 280 mm
38 模數 2 mm 之內齒輪對(Internal spur gear pair),其中環齒輪為 100 齒且小齒輪為 20 齒,則此一齒輪對 之中心距為: (A) 20 mm (B) 120 mm (C) 60 mm (D) 80 mm
39 下列關於差動螺旋(Differential Screw)之敘述,何者正確? (A)兩段螺紋旋向相同但導程不同 (B)兩段螺紋旋向相反且導程不同 (C)兩段螺紋旋向相反但導程相同 (D)兩段螺紋旋向相同且導程相同
40 某機器中之線性拉伸彈簧,當其負荷由 100 N 增加至 150 N 時,彈簧長度由 105 mm 增加至 110 mm,下 列敘述何者正確? (A)彈簧自由長度為 100 mm (B)彈簧常數為 20 N/mm (C)彈簧常數為 5 N/mm (D)當其負荷增加至 200 N 時,彈簧長度為 115 mm
申論題 (0)
相關試卷
114年 - 114 國營臺灣鐵路股份有限公司花蓮機務段_從業人員甄試試題_第10階助理技術員:機械原理概要#133331
114年 · #133331
113年 - 113-2 國營臺灣鐵路股份有限公司_從業人員甄試試題_第10階-助理技術員-機械:機械原理概要#137200
113年 · #137200
113年 - 113-2 國營臺灣鐵路股份有限公司_從業人員甄試_第 11階-服務員-機械:機械原理大意#137071
113年 · #137071
113年 - 113 國營臺灣鐵路股份有限公司_從業人員甄試_第 10 階-助理技術員-機械:機械原理概要#118984
113年 · #118984
113年 - 113 國營臺灣鐵路股份有限公司_從業人員甄試_第 11階-服務員-機械:機械原理大意#118980
113年 · #118980
112年 - 112 鐵路特種考試_佐級_機械工程:機械原理大意#114931
112年 · #114931
111年 - 111 交通事業公路升資考試_士級晉佐級_技術類(選試機械原理大意):機械原理大意#111594
111年 · #111594
111年 - 111 鐵路特種考試_佐級_機械工程、機檢工程:機械原理大意#108596
111年 · #108596
110年 - 110 交通事業公路升資考試_士級晉佐級_技術類(選試機械原理大意)-公路:機械原理大意#103501
110年 · #103501
110年 - 110 鐵路特種考試_佐級_機械工程、機檢工程:機械原理大意#101593
110年 · #101593