阿摩線上測驗
登入
首頁
>
圖學
> 105年 - 105 普通考試_技藝:圖學概要#54083
105年 - 105 普通考試_技藝:圖學概要#54083
科目:
圖學 |
年份:
105年 |
選擇題數:
0 |
申論題數:
4
試卷資訊
所屬科目:
圖學
選擇題 (0)
申論題 (4)
【已刪除】一、請依下列兩個立體圖所示之尺度,以比例 1:1 繪製正投影視圖,視圖包含前視圖、 俯視圖及右側視圖三個正投影視圖(如圖所示)(不須標註尺度)。(25 分)
【已刪除】二、請依下列正投影視圖所示視圖方向,使用三角板以比例 1:1 繪製等角圖(等角圖尺 度誤差值超過正負 2 mm 處不計分),等角圖之視角必須能顯示前視圖、俯視圖、右 側視圖(不用標註尺度)。(25 分)
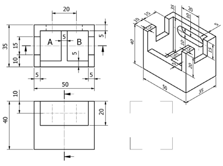
【已刪除】三、請依下列正投影所示之尺度,以比例 1:1 繪製正投影視圖,不用標註尺度。視圖包 含前視圖、右側視圖及俯視圖,視圖中 A、B 兩處之厚度相同(前視圖、右側視圖 須依割面線繪製剖視圖)。(25 分)
【已刪除】四、請依視圖所示之尺度,以比例 1:1 繪製幾何圖形並標註尺度,繪製完成後加註 D、 X、Y 尺度(小數點四捨五入,尺度不標註小數點數字)。(25 分) 說明:以四心法繪製內切等角橢圓於邊長 60 mm 平行四邊形內(假想線須保留), 並以三點畫圓弧相切於 B 點,半徑 D 必須經過 A、B、C 三點。
相關試卷
114年 - 114 公務升官等考試_薦任_技藝:圖學#133192
114年 · #133192
114年 - 114 普通考試_技藝:圖學概要#128725
114年 · #128725
113年 - 113 普通考試_技藝:圖學概要#121137
113年 · #121137
112年 - 112 普通考試_技藝:圖學概要#115317
112年 · #115317
111年 - 111 普通考試_技藝:圖學概要#109301
111年 · #109301
110年 - 110 公務升官等考試_薦任_技藝:圖學#103451
110年 · #103451
110年 - 110 高等考試_三級_技藝(選試陶瓷):圖學#102384
110年 · #102384
109年 - 109 普通考試_技藝:圖學概要#88706
109年 · #88706
108年 - 108 專技高考_測量技師:製圖學#80636
108年 · #80636
108年 - 108 公務升官等考試_薦任_技藝:圖學#80332
108年 · #80332