所屬科目:統測◆06土木與建築群◆(一)工程力學、工程材料
1. 有一桿件受力結構,如圖 ( 一 ) 所示,若在 B 點施加與水平夾角30° 的力量 100 N 時,求 AB桿之受力為何? (A) 50N(壓力) (B) 50N(拉力) (C) 100N(壓力) (D) 100N(拉力) 圖(一)
2. 有一梁AB受力如圖(二)所示,若A點沒有任何反作用力時,求B點到A點之距離x為何? (A) 15 cm (B) 20 cm (C) 25 cm (D) 30 cm 圖(二)
3. 有一簡支梁 AB,受均變荷重作用,若 A 點至 B 點之荷重變化,如圖 ( 三 ) 所示,求 B 點 所受之反力大小為何? (A) 100N (B) 120N (C) 150N (D) 200N 圖(三)
4. 有一鋼架ABC,其受力如圖(四)所示,求C點之反力大小為何?
(A) (B) (C) (D)
5. 有一力量 F,大小為 100 N,沿 AB 方向作用在 A 點,A 點座標為 ( 3 , 4 , 3 ) ,B 點座標為 ( 1 , 0, 1),如圖(五)所示,求F在X方向的分力為何? (A)(B) (C) (D) 圖(五)
6. 有三個力量作用在 O 點,F1沿 OA 方向,大小為 100 N; F2沿 OB 方向,大小為 50 N; O點座標為( 0 , 0 , 0 ),A點座標為 ( 2 , 3 , 2 ),B點座標為 ( -1 , 1 , 1 ),如圖 (六 )所示,若 三力達平衡時,求第三個力量R在X方向的分力為何?
(A) (B) (C) (D) 圖(六)
7. 有一桿件 ABC,AB 段長度為 a,BC 段長度為 b,如圖 ( 七 ) 所示,若 A 點固定,同時在 C點之X 及Z方向,受相同大小力量P作用時( Px = Pz = P ),求A點在Y方向所受之力矩 大小為何? (A) Pa (B) Pb (C) P( a+b ) (D) 0 圖(七)
14. 有一均質等方向性之正六面體,各邊長為L,楊氏係數為E,蒲松比為0.25,若此正六面體 之六面均受張應力P作用且在彈性範圍內時,則其體積彈性係數為: (A) (B) (C) (D)
15. 有一均質等方向性材料之楊氏係數 E =15GPa ,蒲松比 ν = 0.25 ,若材料受力在彈性範圍 內,則下列關於楊氏係數 E、蒲松比 ν 、剛性模數 G 及體積彈性係數 Ev 之關係式,何者 正確? (A) G = 9GPa (B) Ev =12GPa (C) (D)
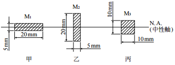
17. 有一梁之斷面如圖 (八 )所示,材料斷面積相等,且容許應力相同,若對圖示的中性軸 而言,甲斷面可承受之最大彎矩為 M1,乙斷面可承受之最大彎矩為 M2,丙斷面可承受 之最大彎矩為 M3,則M1:M2:M3為何? (A) 1:4:2 (B) 1:2:4 (C) 2:1:4 (D) 4:1:2 圖(八)
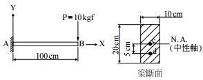
18. 有一懸臂梁,長度為100 cm,斷面為10 cm× 20cm,若承受一集中力P=10 kgf,如圖(九) 所示,則下列敘述何者不正確? (A) 整段梁之剪力大小為10 kgf (B) 梁斷面之d點剪應力大小為400 kgf/m2 (C) 最大剪應力發生在梁斷面之c點,大小為750 kgf/m2 (D) 梁斷面c點及d點之剪應力皆不為0 圖(九)
19. 某一平面應力元件受不為零的 σx ,σy 及 τ xy 之作用,如圖 ( 十 ) 所示。已知 σx =15MPa, τxy = 5 √3MPa ,當 θ = 30° 時的平面是元件之主平面,且有較大之主應力 20 MPa,則另 一較小之主應力可能為: (A) – 3MPa (B) – 1MPa (C) 0MPa (D) 3MPa 圖(十)
20. 有一懸臂梁承受一正向力 P = 2.4 kN 及一彎矩 M =16kN•cm 之作用,若梁之長度為100 cm,斷面為12cm× 20 cm,如圖(十一)所示,則其最大壓應力之絕對值大小為何? (A) 0N/ cm2 (B) 10N/ cm2 (C) 20N/ cm2 (D) 30N/ cm2 圖(十一)