所屬科目:技檢◆工業配線-丙級
12. 主電路上之交流電壓有效值為 110V,則其峰對峰值電壓為(A)(B)220V(C)(D) 100V。
23. 如圖 1 所示電路圖,某工作者配線如圖 2,則此配線(A)未按電路圖施工應判定為施工錯誤(B)工作者為工作方便,節省材料這樣更好(C)功能一樣,視為合格(D)與電路圖一致,視為完全正確。
30. 如下圖所示,加上額定電壓E時,電驛R (A)正常動作(B)反覆動作(C)不動作(D)瞬間動作後停。
33. 如左圖所示之符號為(A)電阻(B)電驛(C)線圈(D)保險絲。
36. 變壓器之符號為(A) (B) (C) (D) 。
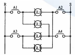
39. 如下圖所示,當 A1 、A4 之接點閉合時(A)GL1 、GL2 、GL3 、GL4 亮度相同(B)GL1 、GL4 亮,GL2 、GL3 微亮(C)GL2 較亮,GL1 、GL3 、GL4 微亮(D)GL1 較亮,GL2、GL3 、GL4不亮。
46. n 個 r 歐姆之電阻並聯時,其總電阻 R 為(A) (B)rn2 (C)nr(D) 。
48. 如左圖所示之符號為(A)直流發電機(B)接地電壓表(C)直流電動機(D)交流發電機。
53. 如下圖所示,在 SW ON 後,電流表之讀數應為(A)4A(B)3A(C)6A(D)2A。
60. 如左圖所示之符號為(A)b 接點(B)殘留接點(C)a 接點(D)c 接點。