所屬科目:圖學
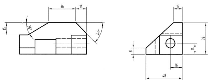
㈠此圖是用了剖視圖的方式來表示物體形狀,這樣的呈現方式有何優點?(4分)
㈡剖視圖又可有數種不同的類型,此圖所用的是那一種類型? (3分)
㈢承上題,這一種類型的剖視圖適 合於表現那一種型式的物體?其相較於其它類型又具備了什麼優點?(4分)
㈣此圖在那一部分有用到「轉正視 圖」的投影方法?(3分)
㈤圖中A、B兩處還需要標示尺度, 以A為例,它的半徑是8。請問A 處的正確尺度標註為何?(3分) (内除前述A、B兩處為問題外,此圖有3處錯誤,請指出其中2項 錯誤,並說明應如何修正。(每項 4分,共8分)
㈠此圖的投影方式,下列所述何者正確(可複選)?(A)正投影,(B)斜投影,(C) 平行投影,(D)透視投影,(E)中央投影。請寫出其英文代碼。(4分,答對與 答錯相抵後依答案所占比例給分)
㈡依此圖的投影方式所繪製出具有立體感覺的圖形,一般稱之為什麼圖?,3分,勿 答「立體圖」)
㈢從線條的用途角度分類,此圖共用到五種線條,請說出其中四種的用途名稱,並 說明各種線條所代表之意義。(每項2分,共8分)
㈣請以1 : 2之比例繪製此圖所代表的物體的三視圖,正投影多視圖)。(20分)
㈤請在繪製完成的三視圖上標註尺度。,10分)
三、請繪出二視圖(圖c)的立體圖(任選一種立體圖,不須標註尺度,以比例1 : 1繪 製)。(20分)圖c
(一)不晝隱藏
(二)需畫隱藏線