所屬科目:中山◆電機◆電子學
(b) (10%) Find the bandwidth of the amplifier (in rad/s). Note:for Q in saturation.
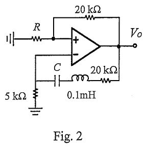
2. (20%) Use the Barkhausen criterion to determine the values of R and C so that the Wien-bridge circuit in Fig. 2 oscillates at 100 kHz.
4. (20%) An emitter follower in Fig. 4 is used to drive a very high impedance. Ci forms a high-pass filter with the divider resistances and the resistance looking into the base. Choose the value of C1 so that the resulting cutoff frequency is 1 KHz.