所屬科目:電子學(包括電力電子學)
一、設 一 矽 二 極 體 pn 接面之摻雜濃度與摻雜濃度 且本質濃度 ,試求於T= 300 K 時之內建 電壓V0、空乏區寬度Wdep與空乏區在 p 側及 n 側之延伸寬度。(25 分)
二、設一增強型 n-通道金氧半場效電晶體(NMOS transistor),已知其 、 W =400 μm、 L =10 μm 、 V t = 1.2 V 以 及 λ = 0.01 V -1 ,分別試求其操作於偏壓電壓 VGS = 2V下之 gm 與 ro值,以及 於偏壓電流 值。(25 分)
三、設一切換頻率為25 kHz之降升壓型轉換器(buck-boost converter),其輸 入電壓V 15 V d = 、電感器之感值L 40 H = μ ,且令輸出電容器之容值甚 大,試求得使輸出電壓調節於 且供應負載功率 之對應 開關導通率(duty ratio)與導通模式。(25 分)
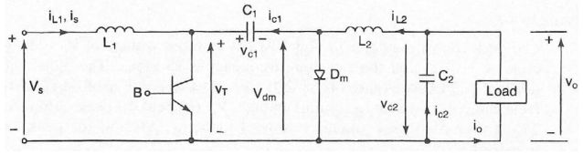
四、設一邱克轉換器(Cúk converter)示如下圖,已知其中 、 ,令電晶體導通 率(duty ratio)為D= 0.2 、切換頻率為20 kHz、負載平均電流為 2 A, 試求C1與C2上電壓漣波之峰對峰值 C1 Δv 與 C2 Δv ,以及電晶體開關元件上 之峰值電流 Ip。(25 分)