所屬科目:電子學(包括電力電子學)
一、圖一為單極點運算放大器。量測其開路增益|A( f )|,在頻率 f → 0 時,|A( f )| 為 80 dB;頻率為 10 kHz 時,|A( f )|為 40 dB。畫出此運算放大器之增益 頻率響應與相位頻率響應波德圖(Bode plots),須標示其極點頻率 fb、 0-dB 增益頻率 ft,頻率範圍至少涵蓋 fb/100 至 10ft,相位以度(°),頻 率以 Hz 為單位。(20 分)
二、圖二電路中二極體均具理想特性,Van、Vbn、Vcn 為 ±90 V 之對稱三角波, 三者週期相同,取 Van(t)正斜率 0 V 點為參考相位 θ = 0°,Vbn、Vcn 分別落 後 120°與 240°。在 0° ≤ θ ≤ 360° 範圍,以 θ(以度表示)為橫軸,分段說 明導通之二極體,並畫出 VL(t)波形,再求算 VL(t)之直流 Vdc。 (20 分)
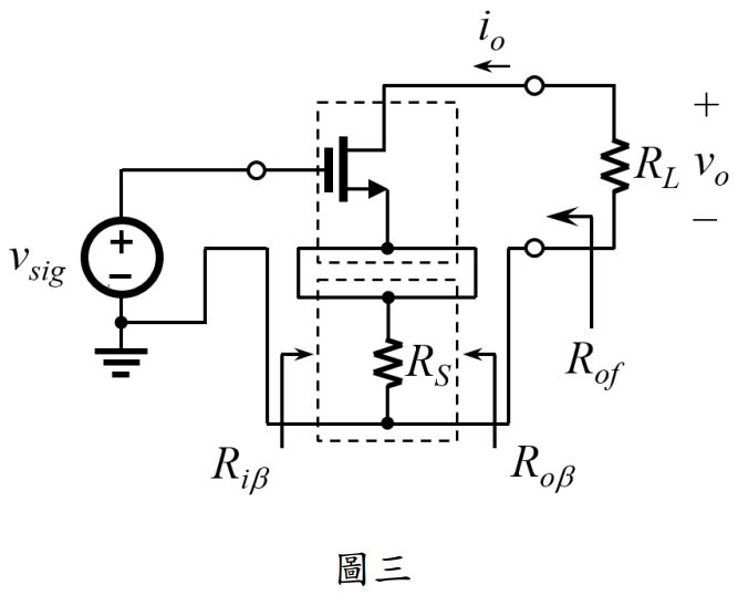
三、圖三電晶體偏壓於飽和區,小訊號參數僅考慮 gm 與 ro,負載 RL。以回 授放大器原理分析此放大器,虛線內含 RS 者為回授網路。可先將電路化 為「理想回授放大器」(理想信號源、理想負載),得無回授之放大器 增益 A,再以理想回授放大器公式求算完整電路的參數。說明此回授放 大器之類型(串串、串並、並串、並並)、寫出 A、β(回授量)及完整 放大器之 Rof 與電壓增益 Avf = vo/vsig 之數學式。(20 分)
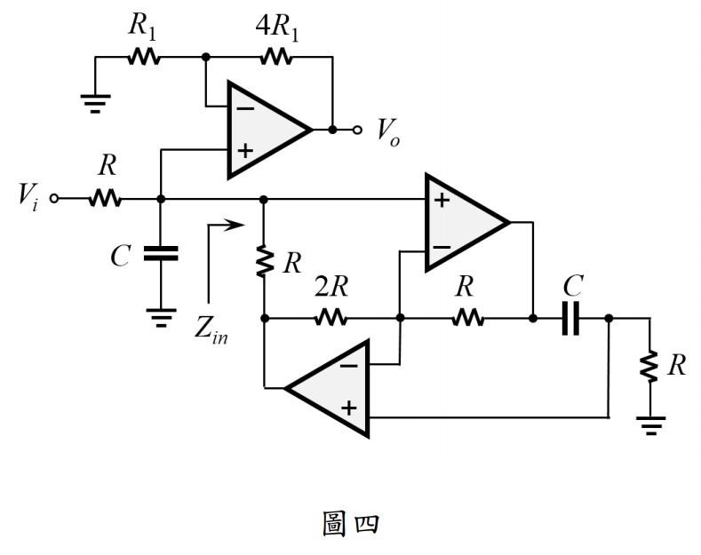
四、圖四之運算放大器具有理想特性,完整電路之轉換函數 T(s) = Vo(s)/Vi(s) 為何?根據所得 T(s)說明此濾波器之類型(低通、高通、全通或帶阻) 與階數。(20 分)
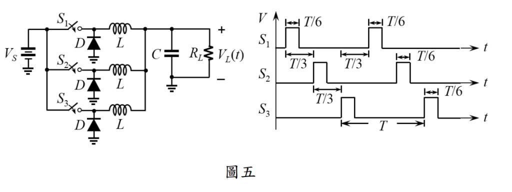
五、降壓整流器如圖五,輸入電壓 VS = 9 V,RL = 1 Ω,開關切換頻率 20 kHz, 工作週期 D = 1/6。僅 S1 操作時(S2 與 S3 均不通) ,平均輸出電壓 VL = 3 V, 輸出電流高低差小於 0.5 A,L 使用滿足此條件之最小值。當 S2 與 S3 亦 加入工作時,三者相位關係如圖所示。求算 L 之值、輸出電流漣波之頻 率及其最高與最低值。(20 分)