所屬科目:台電◆物理
1. 有一綠色光的波長為555.8奈米,相當於多少公分? (A) (B) (C) (D)
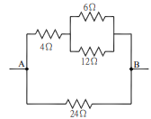
47. 如右圖所示,試求6歐姆電阻兩端之電位差V1為多少伏特? (A) 12 (B) 16 (C) 18 (D) 20
50. 如右圖所示,試求A、B兩點間等效電阻為多少歐姆? (A) 6 (B) 8 (C) 10 (D) 12