所屬科目:船用電機與自動控制(概要)
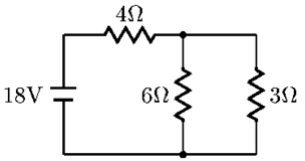
1. 如圖所示,當6歐姆的電阻發生短路時,試求流經3Ω的電流為多少 (A) 3A (B) 2A (C) 1A (D) 0A
2. 如圖所示之符號為何者? (A) NPN電晶體 (B) PNP電晶體 (C) N型FET (D) P型FET
8. 如圖所示,試求10Ω電阻器之消耗功率為何? (A) 500W (B) 800W (C) 1000W (D) 1200W
9. 如圖所示,將Δ電路換成等效的Y電路,求 之值為何? (A) 10Ω (B) 20Ω (C) 30Ω (D) 40Ω
10. 如圖,下列的敘述何者為錯誤? (A) V1=[R1/(R1+R2)]V (B) V2=[R2/(R1+R2)]V (C) V=V1-V2 (D) V2=V-V1
18. 如圖,若E的直流電壓值為36V,求6Ω處電阻器所消耗之功率為何? (A) 18 W (B) 36 W (C) 54 W (D) 72 W
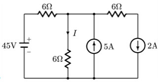
19. 求如圖的I=多少? (A) 1.5A (B) 5.25A (C) 6A (D) 9A
20. 如圖所示電路,流經電阻R之電流為多少? (A) 0A (B) 1A (C) 2.5A (D) 5A
21. 三相平衡負載的功率因數常以二瓦特計法測定,若P表示平均功率,Q表示電抗功率,則其功率 因數P.F.為何?
28. 兩個電阻支路電流的分流公式是(I為總電流,U為總電壓):