所屬科目:技檢◆視聽電子-丙級
31. 為(A)SCS(B)PUT(C)SCR(D)TRIAC。
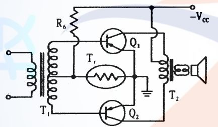
33. 如下圖假設電晶體為矽晶體其 β=100, 之電壓為
43. 二極體的符號是(A) (B) (C) (D) 。
74.易受溫度影響(A)溫度每下降 10℃,則增加 1 倍(B)溫度每上升 1℃,則增加 1 倍(C)溫度每上升 10℃, 則增加 1 倍(D)溫度每下降 1℃,則增加 1 倍。
78. 值是共基極放大器的(A) (B) (C) (D) 。