所屬科目:技檢◆機電整合
1. 左圖閥件組合後,可作為訊號縮短控制用。箭頭所指處為小型蓄氣筒,是賦予調整訊號的長短,有比較方便的調整設施。 (A)O (B)X
2. 左圖為氣壓元件之精密型調壓閥的符號,與一般型調壓閥最大的不同處,在一次側有排氣口,可立即排掉二次側超壓空氣。 (A)O (B)X
3. 左圖為電子元件中的稽納二極體符號,一般常見於電壓受限制的場合當中。 (A)O (B)X
4. 保持型繼電器(Holding Relay)有2個控制線圈,〝SET〞線圈僅能使該繼電器作動後,即啟動;復歸時,只要將〝RST〞線圈送給電源即可復歸,惟需注意〝+〞、〝-〞極性問題,才能正確作動。 (A)O (B)X
5. aY左圖為PULSE邏輯氣壓閥符號,代表脈衝訊號時間長短可調。 (A)O (B)X
6. 扭矩扳手(Torque wrench)在使用時,可加長其旋轉力臂長度,以減少使用者之旋轉力矩。 (A)O (B)X
7. 下圖(1)為直覺法設計氣壓迴路繪圖過程,其中A缸在步驟1及B缸在步驟3會遇到無法動作問題。可以單向輥輪作動閥把無法動作問題快速解決掉。但也會帶來必須把氣壓缸凸塊(dog)碰觸長度加長的問題。
(A)O (B)X
8. 各種位置感測器的控制線路可和供應該感測器及小型馬達電源線路配在一起,以方便配線,縮短施工時間,降低耗費成本。 (A)O (B)X
9. 左圖為環首(雙山)型CB安裝方式,適合在氣壓缸因伸縮時,需擺動缸筒之場合。 (A)O (B)X
10. 氣-油轉換缸大都用於低速驅動場合,到最後要獲得穩定出力之動作輸出。因此,油壓部分不可有空氣混入其中,以免出力變得不穩定。 (A)O (B)X
1. 在迴路中b元件有作為系統運轉用。 (A)停止 (B)啟動 (C)緊急停止 (D)選擇單一或連續模式
2. 續上題,其迴路中c元件有何種功能。 (A)啟動系統 (B)選擇系統為單一循環或連續循環運轉 (C)切斷自保回路 (D)使系統停止運轉用
3. 則其前進速度為多少m/min。 (A)9.0 (B)9.5 (C)10 (D)10.5
4. 續上題,此氣壓缸供應6 kgf/cm²的壓縮空氣,請問瞬間最大的空氣消耗量為多少?(L/min【ANR】) (A)0.12 (B)17.66 (C)20.00 (D)120.70
5. 右圖(3)為高鐵車站某一部乘客使用之油壓電梯的機械示意圖,其電梯箱重量W1=1000 kgf(由配重塊平衡掉)、移動距離S=6 m、移動時間t=9 sec、承載重量W2=1625 kgf;若忽略機械摩擦因素,試問油壓缸之移動速度為多少cm/sec。
(A)23.3 (B)33.3 (C)43.3 (D)53.3
6. 下圖(3)為高鐵車站某一部乘客使用之油壓電梯的機械結構圖,其電梯箱重量W1=1000 kgf(由配重塊平衡掉)、移動距離S=6 m、移動時間t=9 sec、承載重量W2=1625 kgf;若忽略機械摩擦因素、供給壓油之壓力P=58.5 kgf/cm²、油壓缸之桿徑為缸徑0.4倍、出力取1.8倍安全裕量,試問油壓缸的缸徑為多少mm以上才有足夠之驅動力。
(A)80 (B)100 (C)125 (D)140
7. 下圖(4)為自動鑽床的油壓迴路圖,在迴路圖中,分別有4個止回閥(A、B、C、D四處),試問C閥件的順向開啟壓力(cracking pressure)約為多少kgf/cm²才能使迴路正常運作又可節省能源消耗。
(A)0.3~0.5 (B)3.5~5 (C)8~10 (D)20~30
8. 下圖(5)為伺服馬達驅動滑台示意圖,減速比i=3、螺桿導程L=5 mm、伺服馬達分解能Pt=131072 pulse/rev、電子齒輪比,若欲每輸出1 pulse滑台要有1μm移動量,試問電子齒輪比為何?(選項見原題圖) (A) (B)(C) (D)
9. 下圖(5)為伺服馬達驅動滑台示意圖,減速比i=5、螺桿導程L=8 mm、伺服馬達分解能Pt=131072 pulse/rev、電子齒輪比,若脈波輸出速率f=150k pps,試問滑台的移動速度V為多少cm/sec。 (A)25 (B)30 (C)300 (D)250
10. 下圖(5)為伺服馬達驅動滑台示意圖,減速比i=3、螺桿導程L=5 mm、伺服馬達分解能Pt=131072 pulse/rev、電子齒輪比[圖],若脈波輸出數量N=150k pulses,試問滑台的移動距離S為多少cm。
(A)20 (B)200 (C)25 (D)250
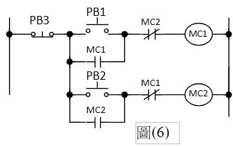
11. 如下圖(6)之繼電器電路,當PB3未押下且MC1與MC2 OFF時,下列敘述哪項正確。
(A)若依序押下啟動按鈕PB1與PB2時,則MC2動作,MC1不動作 (B)若依序押下啟動按鈕PB1與PB2時,則MC1與MC2均動作 (C)若依序押下啟動按鈕PB1與PB2時,則MC1、MC2均不動作 (D)此迴路屬於互鎖電路
12. 左圖為負載搖擺示意圖,使用氣壓缸驅動之,以下列哪種安裝方式最節省空間又符合機械安全的目的。 (A)CA:環首(單山)型 (B)FA:前法蘭型 (C)LB:腳座型 (D)TA:前耳軸型
13. 有一單桿雙動氣壓缸在摩擦係數為0.2的水平面推動50 kgf的物體,移動的距離為200 mm,移動時間為1秒,1分鐘做15次循環,工作壓力為6 kgf/cm²。移動時間做等加速度(如左圖所示),則等速度為多少cm/sec。 (A)22.2 (B)23.5 (C)78.4 (D)111.1
14. 依據國際電工協會(IEC)所製定之國際公認保護等級(IP**)有兩碼數值來表示,後一碼數值係規定下列哪項的保護等級。 (A)固體 (B)壓力 (C)水份 (D)溫度
15. 鏡面體光澤除去法(MSR)是配合下列哪種型之光電開關使用。 (A)透過 (B)迴歸反射 (C)擴散反射 (D)距離設定
1.
2.
3.
4.
5.
6.
7.
8.
9.
10.
1. 參考圖(9)、圖(10)及圖(11),在單一循環模式操作下,於步驟二時,系統中電流表之通過電流量為_______mA。
2. 參考圖(9)、圖(10)及圖(11),在連續循環模式操作下,於步驟二時,系統中電流表之通過電流量為_______mA。
3. 參考圖(9)、圖(10)及圖(11),在連續循環模式操作下,於步驟二時,系統之最大電流消耗量為_______mA。
4. 如圖(9),此系統如要裝置保險絲,需選用額定電流_______mA之保險絲。(請填寫備註欄內保險絲額定規格之一種)
5. 如圖(9),若系統要用電源供應器,需選工業用功率_______W之電源供應器。(請填寫備註欄內電源供應器工業用規格之一種)