所屬科目:電路學
一、圖 1 電路中之電源電壓 v(t ) = 12 cos 5t V,其電源電壓之最大值為 12 V, 求穩態電流 i(t)及 1 Ω 電阻所吸收之功率。 (25 分)
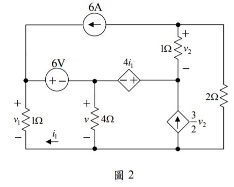
二、如圖 2 所示電路,請求(一)電阻 4 Ω 所跨之電壓 v 值;(二)電阻 2 Ω 所消耗 之功率 P2Ω。(25 分)
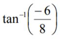
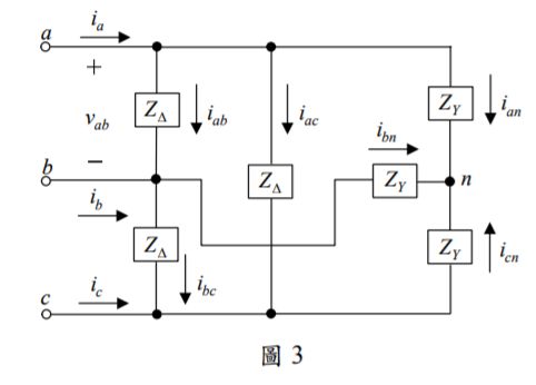
三、如圖 3 所示之三相平衡電路,其負載由兩個平衡負載並聯而成,其中 Y 接負載每一相的阻抗為 ZY = 6 + j8 Ω ,而 Δ 接負載每一相的阻抗為 Z ∆ = 8 − j 6 Ω,若電源電壓 vab (t ) = 220 cos(120π t ) ,試求三相負載總吸收之 有 效 功率及 無 效功 率 。( 25 分 )( 提 示 := −36.9° = 53.1° ;= 126.9° ; = 36.9° )
四、如圖 4 所示之耦合電路,其兩電感之耦合電感值為 0.5 H,電源電壓 vs (t ) = 10 cos 2 t V ,試求穩態電流 i2 (t ) 。(25 分)